EasyManua.ls Logo

Riele Photometer 5010 - Page 68

Riele Photometer 5010
114 pages
Print Icon
To Next Page IconTo Next Page
To Next Page IconTo Next Page
To Previous Page IconTo Previous Page
To Previous Page IconTo Previous Page
Loading...
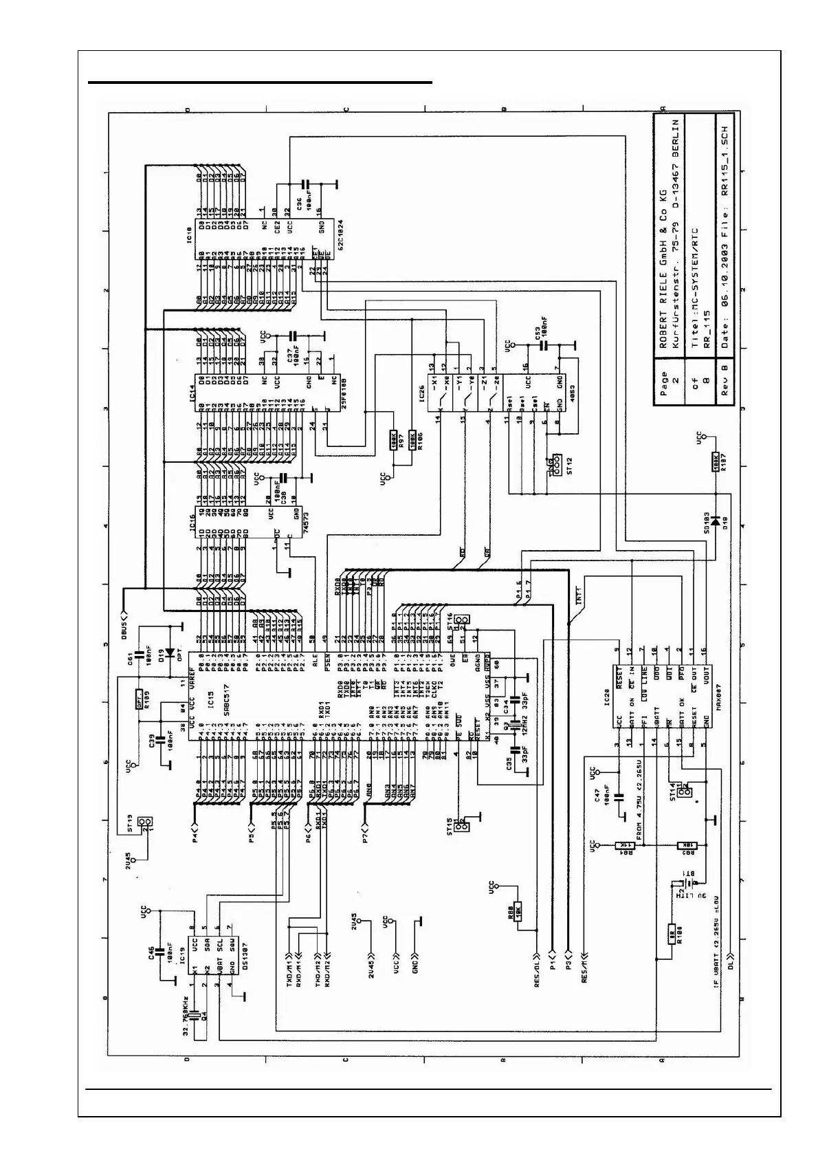
4.40 MOTHER BOARD RR-115 ID 5010-115
RIELE BERLIN Photometer 5010 / V4 4.40.14 07.10.2003

Related product manuals