EasyManua.ls Logo

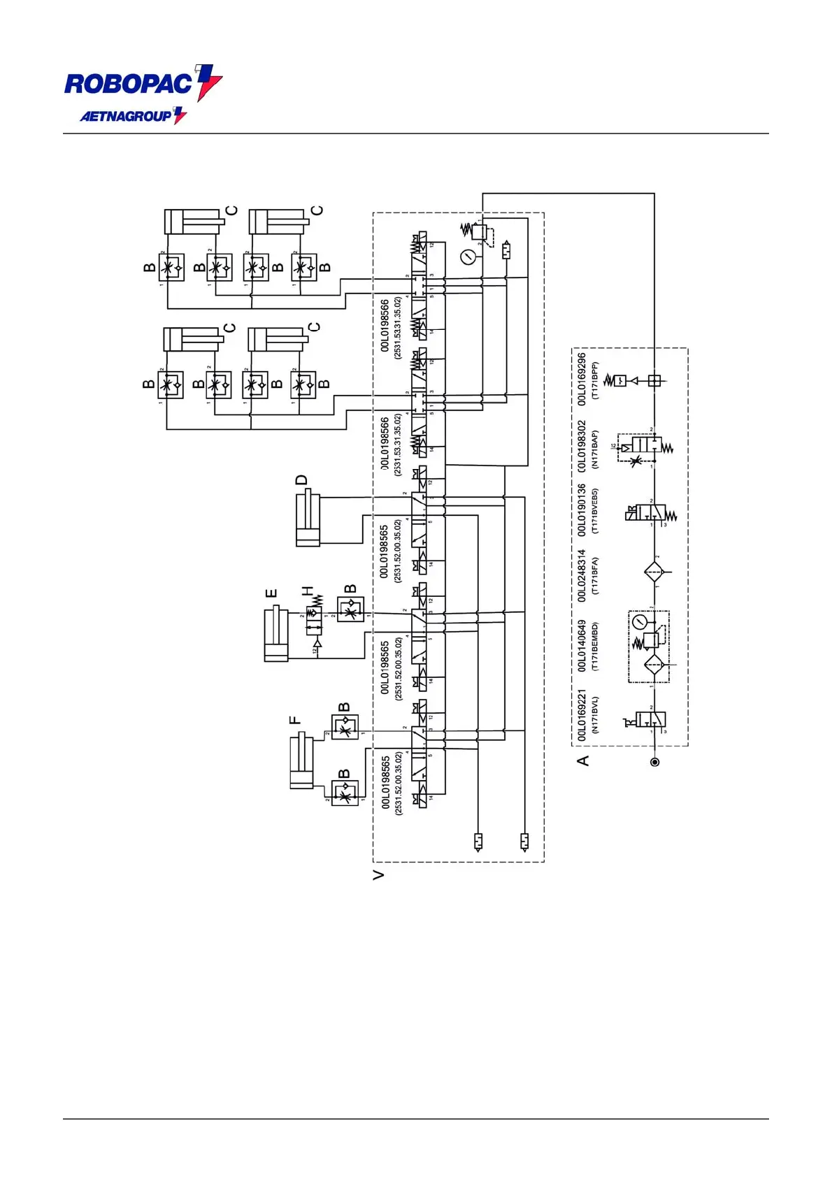
Robopac ORBIT 16 - 10.2. PNEUMATIC CIRCUIT DIAGRAM (250 COIL)

Robopac ORBIT 16
95 pages
Print Icon
To Next Page IconTo Next Page
To Next Page IconTo Next Page
To Previous Page IconTo Previous Page
To Previous Page IconTo Previous Page
Loading...
ORBIT 16
10.2. PNEUMATIC CIRCUIT DIAGRAM (250 COIL)
Key
A
) Air treatment unit
B) Flow regulator
C) Presser cylinder
D) Clamp cylinder
E) Cutter cylinder
F) Coating locking cylinder
H) Cut-off valve
V
) Solenoid valves bank
93/95

Table of Contents

Related product manuals