EasyManua.ls Logo

Samsung SyncMaster 460DX - Folie 130

Samsung SyncMaster 460DX
137 pages
Print Icon
To Next Page IconTo Next Page
To Next Page IconTo Next Page
To Previous Page IconTo Previous Page
To Previous Page IconTo Previous Page
Loading...
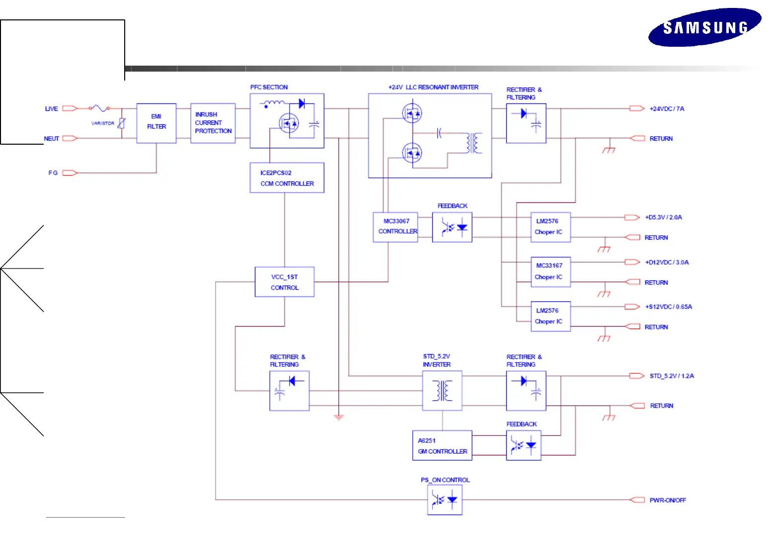
40” SMPS Board Block Diagram
40” SMPS Board Block Diagram

Related product manuals