EasyManua.ls Logo

Samsung SyncMaster 460DX - Folie 56

Samsung SyncMaster 460DX
137 pages
Print Icon
To Next Page IconTo Next Page
To Next Page IconTo Next Page
To Previous Page IconTo Previous Page
To Previous Page IconTo Previous Page
Loading...
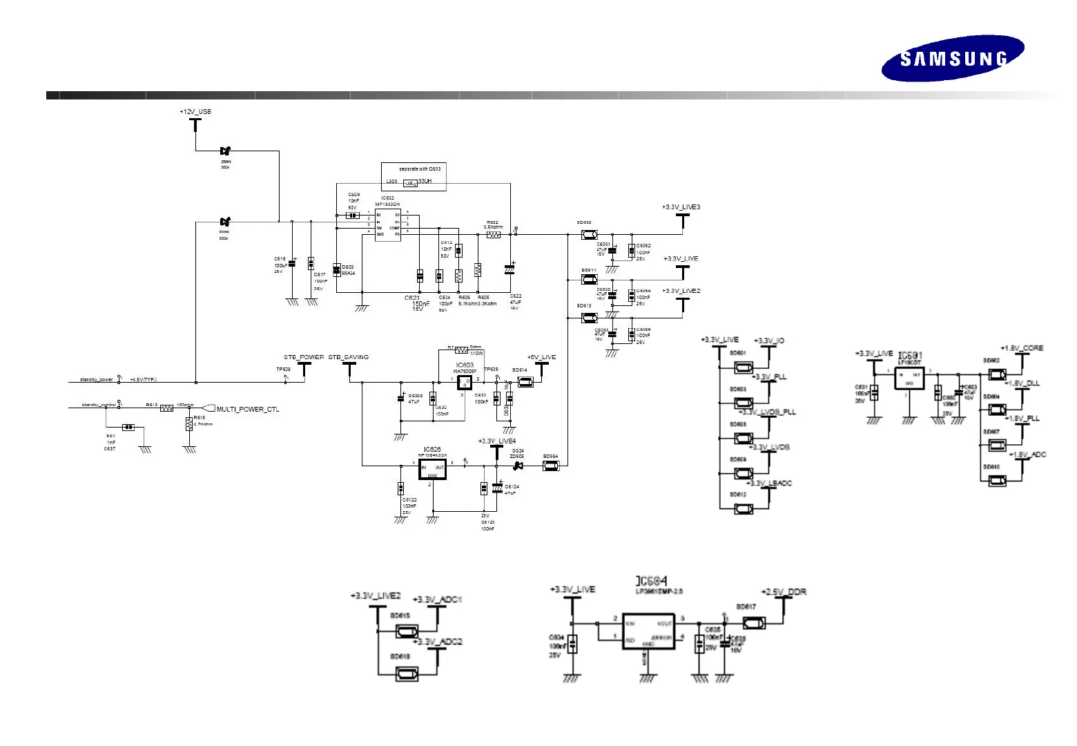
Schematics : Power
Schematics : Power
IC601
3.3V -> 1.8V
IC604
3.3V -> 2.5V
IC602
12V -> 3.3V

Related product manuals