EasyManua.ls Logo

Samsung SyncMaster 460DX - Folie 60

Samsung SyncMaster 460DX
137 pages
Print Icon
To Next Page IconTo Next Page
To Next Page IconTo Next Page
To Previous Page IconTo Previous Page
To Previous Page IconTo Previous Page
Loading...
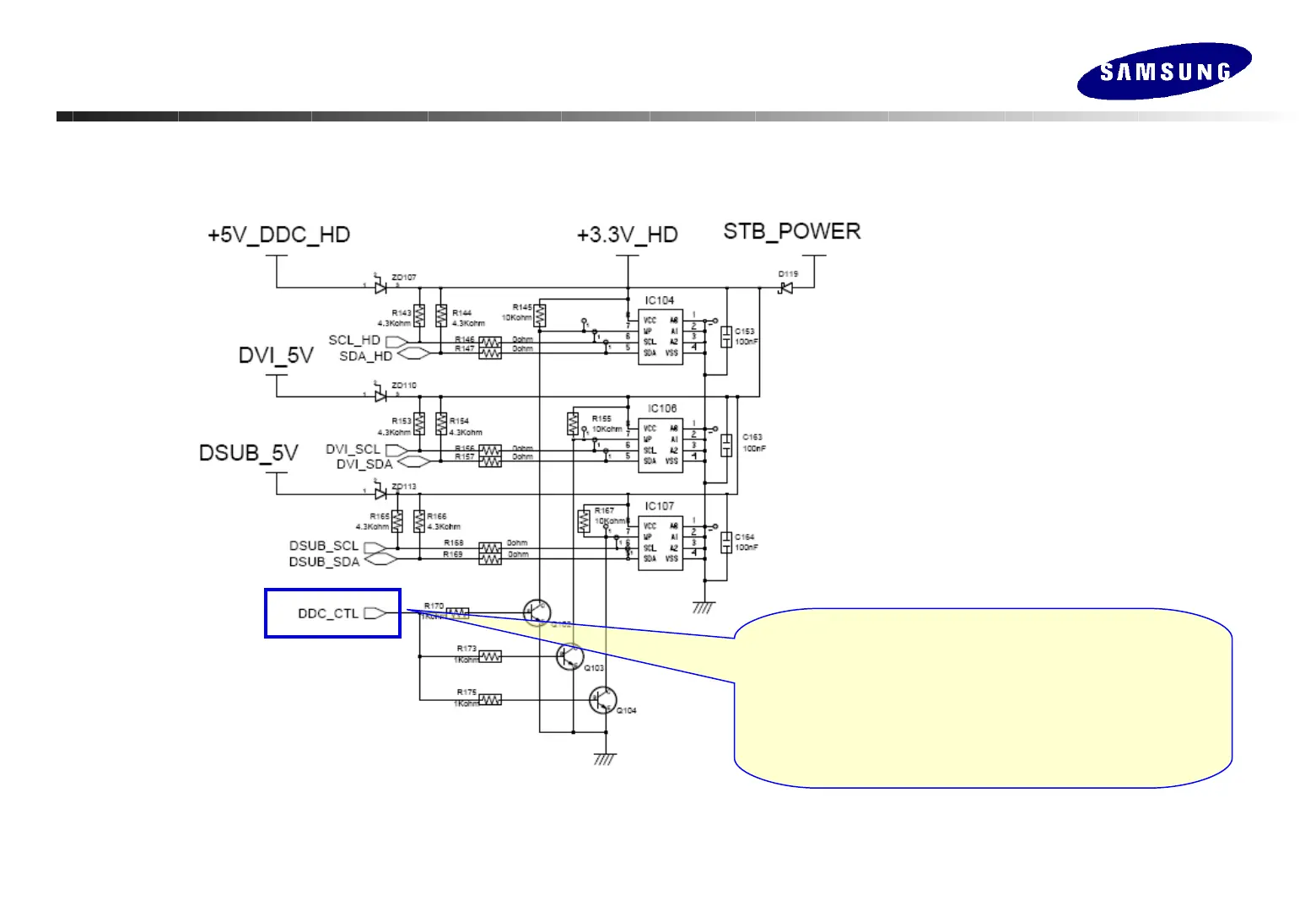
Schematics : DDC
Schematics : DDC
IC 100,101 : If EEPROM E_DDC_CTL signal
containing DDC data is High, write cannot be done.
Enter Factory mode for signal to be Low to be able
to write.
(DDC Protection)

Related product manuals