EasyManua.ls Logo

Samsung SyncMaster 460DX - Folie 61

Samsung SyncMaster 460DX
137 pages
Print Icon
To Next Page IconTo Next Page
To Next Page IconTo Next Page
To Previous Page IconTo Previous Page
To Previous Page IconTo Previous Page
Loading...
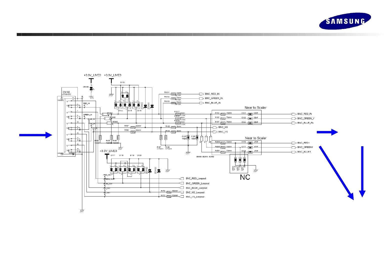
Schematics : BNC / Component Input
Schematics : BNC / Component Input
CN 103
BNC/Component
signal input
Scaler
IC408
IC105
(TMDS Receiver)
BNC
Component

Related product manuals