EasyManua.ls Logo

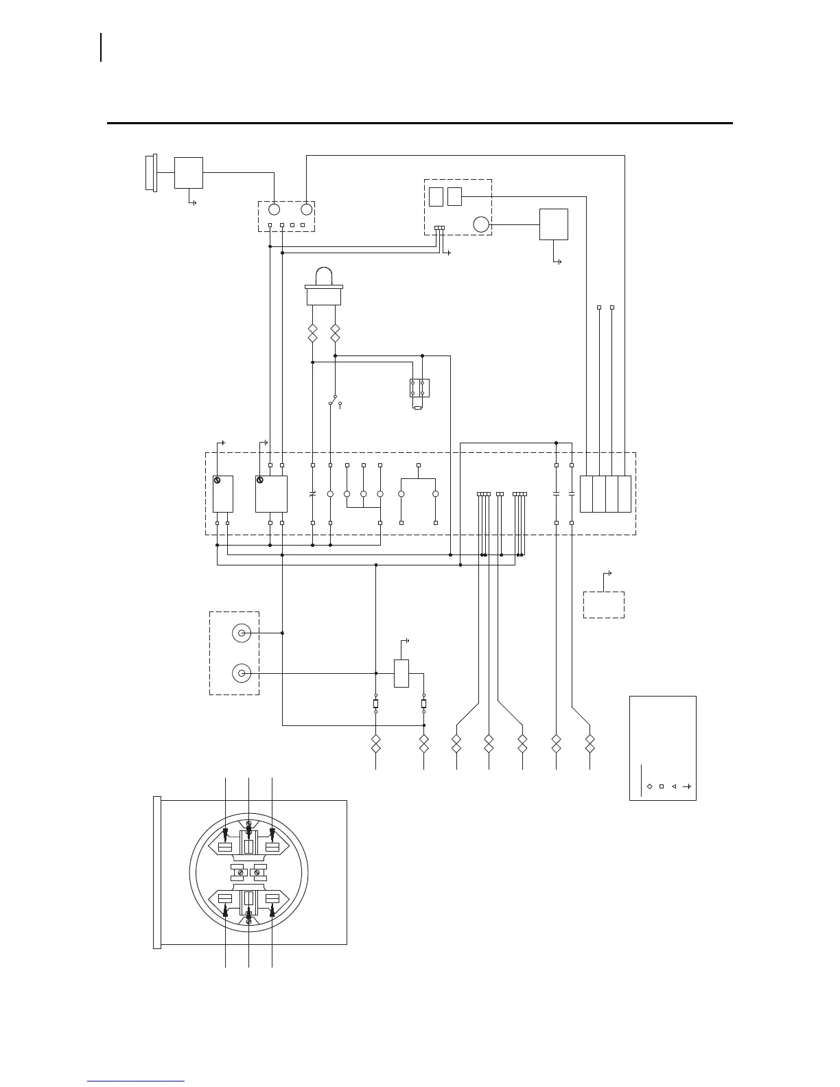
Sel SEL-734B - Compact 6-Jaw Option B Socket-Based Enclosure; Figure E.5 Compact 6-Jaw Option B Socket-Based Enclosure Schematic Diagram

Sel SEL-734B
90 pages
Print Icon
To Next Page IconTo Next Page
To Next Page IconTo Next Page
To Previous Page IconTo Previous Page
To Previous Page IconTo Previous Page
Loading...
E.6
SEL-734B Capacitor Bank Control Field Reference Guide Date Code 20170207
Compact Enclosure Drawings
Compact 6-Jaw Option B Socket-Based Enclosure
Compact 6-Jaw Option B Socket-Based Enclosure
Figure E.5 Compact 6-Jaw Option B Socket-Based Enclosure Schematic Diagram
J2-1J1-1
J2-9J1-9
J2-8J1-8
J2-7J1-7
J2-4J1-4
J2-6J1-6
J2-2J1-2
D04
D03
OUT402 (OPEN)
D02
D01
OUT401 (CLOSE)
D14
D13
D12
D11
D10
D09
IN404
IN403
IN402
IN102
A11
A12
A10
FB1
T
B
SEL-734B
A07
A09
OUT103
LINE NEUTRAL
FRONT-PANEL TEST JACKS
FB2
T
B
L
G
N
MOV1
A01
A02
(-/N)
(+/H)
POWER
(GND)
TROUBLE LAMP
J3-2
J3-1
J4-2
J4-1
E01
E02
E03
E04
E05
E06
E07
E08
E09
E10
•IA
•IN
VA
VN
IN401
NC
DOOR SWITCH (SW)
COM
DO NOT APPLY VOLTAGE TO JACKS
PORT 1
PORT 2
PORT 3
IRIG-B
SERIAL CABLE: ENGINEERING ACCESS
SERIAL CABLE: SCADA ACCESS
MALE DB-9
MALE/FEMALE DB-9
(+)
(-)
: IN-LINE CONNECTOR
: DEVICE CONNECTOR
: CAPPED TERMINATION
: ENCLOSURE GROUND LUG
10A
12.5A
TPC-AI
ESOLCAI
NEPOTPC+
6-JAW OPTION B
ETHERNET CABLE: RADIO COMMUNICATIONS
ANT
SEL-3060
ETH2
ETH1
RG-58
03(+)
04(-)
05(GND)
SEL-3060
SURGE
ARRESTOR
N-TYPE
Z05
Z06
OUT
SUPPLY
Z01
Z02
(-)
(+)
(+)
(-)
PS IN
15VDC
RG-58 CABLE: IRIG-B SIGNAL
SEL-2401
OUT
ANT
ANTENNA
(+)
(-)
RG-58
RG-58
SEL-2401
SURGE
ARRESTOR
LEGEND
NO
SEL-734B
BRACKET
ALARM
TB1
L
R
L
R
1
2
R1
IN101
1
3
5
2
4
6
+CPT
-CPT
•IA
IA
-CPT
CLOSE
OPEN
CURRENT
INPUTS
NEUTRAL
CURRENT
INPUT
VOLTAGE
INPUTS
METER SOCKET

Table of Contents

Related product manuals