EasyManua.ls Logo

Sel SEL-734B - Figure E.8 Compact 7-Pin Connectorized Enclosure Point-To-Point Wiring Diagram

Sel SEL-734B
90 pages
Print Icon
To Next Page IconTo Next Page
To Next Page IconTo Next Page
To Previous Page IconTo Previous Page
To Previous Page IconTo Previous Page
Loading...
E.9
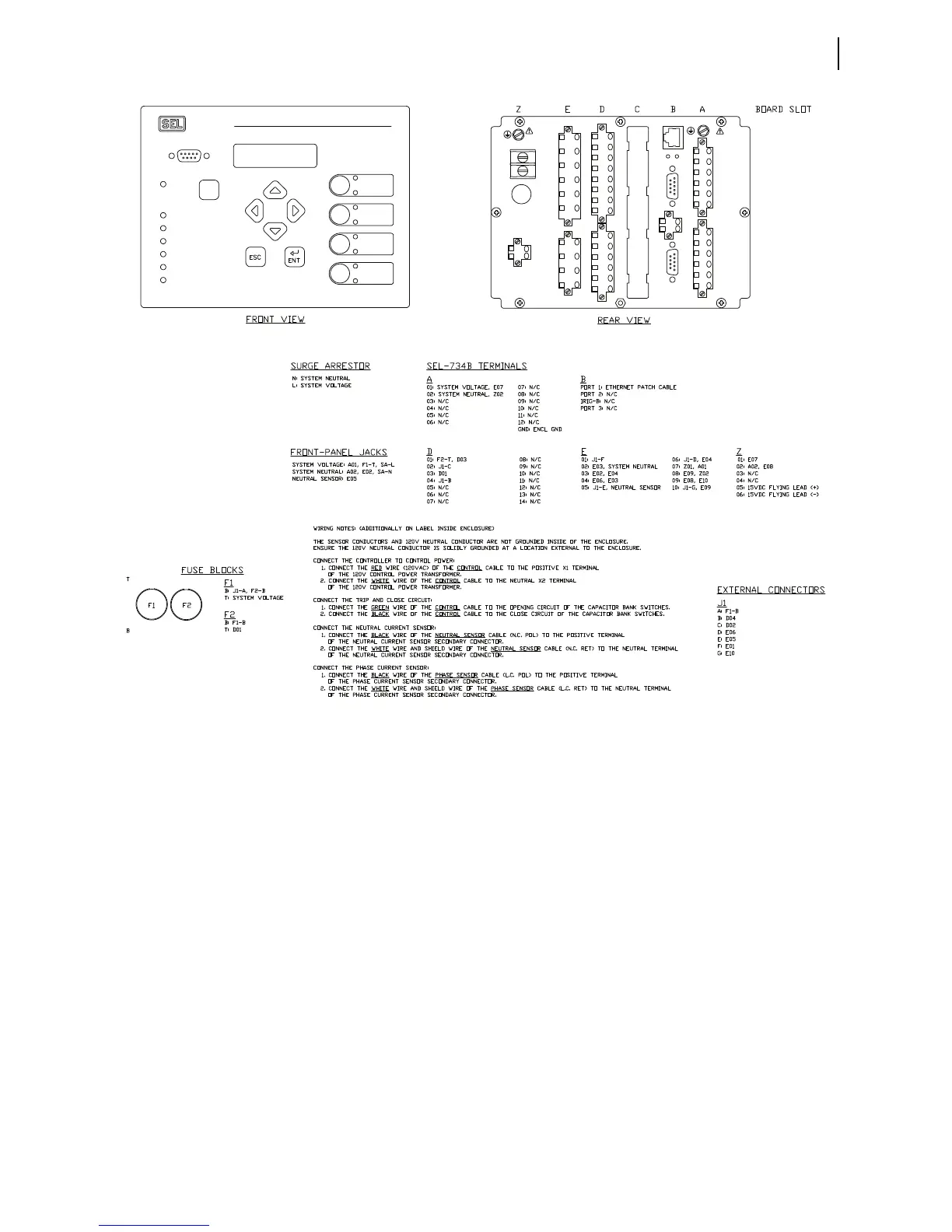
Date Code 20170207 Field Reference Guide SEL-734B Capacitor Bank Control
Compact Enclosure Drawings
Compact 7-Pin Connectorized Enclosure
Figure E.8 Compact 7-Pin Connectorized Enclosure Point-to-Point Wiring Diagram
TARGET
RESET
SCHWEITZER
ENGINEERING
LABORATORIES
ENABLED
PORT F
SEL–734B
ADVANCED MONITORING AND CONTROL SYSTEM
ADAPTED VOLT/VAR
NEUTRAL LOCKOUT
CONTROL VOLTAGE
HUNTING
CAP DISCHARGING
LOCKOUT
COMMAND
CLOSED
CLOSE
OPENED
OPEN
COMMAND
MANUAL
AUTO
SCADA
E10
E09
E08
E07
E06
E05
E04
E03
E02
E01
D09
D02
D03
D04
D05
D06
D07
D08
D10
D12
D13
D14
D11
D01
A07
A08
A09
A10
A12
A11
A02
A03
A04
A05
A06
A01
H/
N/
+
GND
1 2
PORT 3PORT 2PORT 1
IRIG–B
1
9
1
9
GND
Z02
Z05
Z06
Z01
FUSE
T3.15A
H250V

Table of Contents

Related product manuals