EasyManua.ls Logo

Siemens SIMATIC S7 - Page 570

Siemens SIMATIC S7
866 pages
To Next Page IconTo Next Page
To Next Page IconTo Next Page
To Previous Page IconTo Previous Page
To Previous Page IconTo Previous Page
Loading...
Debugging and troubleshooting
10.2 Displaying program status
S7-200 SMART
570 System Manual, V2.3, 07/2017, A5E03822230-AF
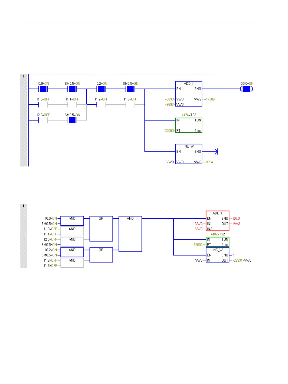
Example program status in the LAD program editor
The example below shows status in the LAD program editor. The program editor displays the
values of operands and indicates powerflow as each instruction executes during the execute
program phase of a scan cycle.
Example program status in the FBD program editor
The example below shows status in the FBD program editor. The red color of the ADD_I
instruction box indicates errors in the operands.

Table of Contents

Other manuals for Siemens SIMATIC S7

Related product manuals