EasyManua.ls Logo

Siemens SIMATIC S7 - Axis of Motion Axisx_Ctrl, Axisx_Run, Axisx_Seek, and Axisx_Man Example

Siemens SIMATIC S7
866 pages
To Next Page IconTo Next Page
To Next Page IconTo Next Page
To Previous Page IconTo Previous Page
To Previous Page IconTo Previous Page
Loading...
Open loop motion control
12.8 Axis of Motion example programs
S7-200 SMART
System Manual, V2.3, 07/2017, A5E03822230-AF
645
12.8.2
Axis of Motion AXISx_CTRL, AXISx_RUN, AXISx_SEEK, and AXISx_MAN
example
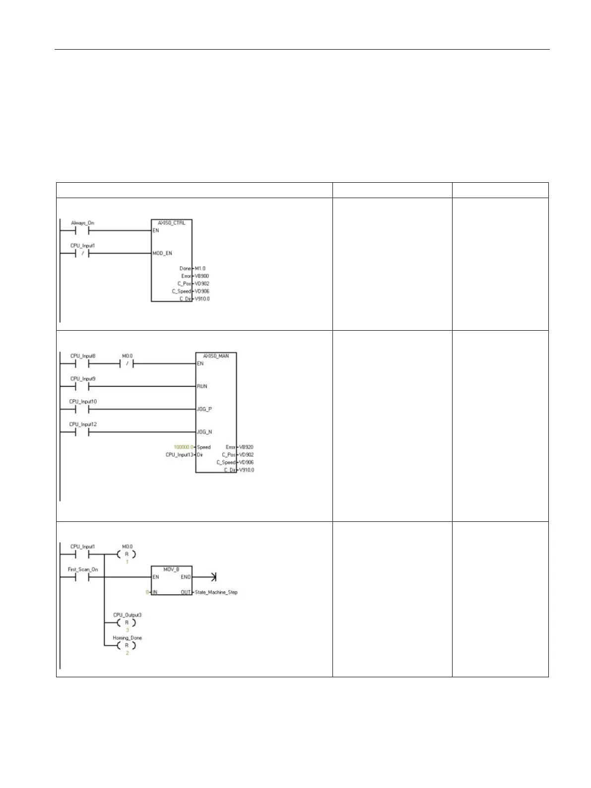
This program provides an example of the AXISx_CTRL, AXISx_RUN, AXISx_RSEEK, and
AXISx_MAN subroutines. You must configure the RP seek mode and a motion profile.
Table 12- 34 Example: Axis of Motion AXISx_CTRL, AXISx_RUN, AXISx_SEEK, and AXISx_MAN subroutines application
LAD/FBD
Description
STL
Network 1
Enable the axis by turning
CPU_Input1 off.
Symbol and Address:
1
Always_On = SM0.0
AXIS0_CTRL = SBR1
CPU_Input1 = I0.1
LD Always_On
= L60.0
LDN CPU_Input1
= L63.7
LD L60.0
CALL AXIS0_CTRL,
L63.7, M1.0,
VB900, VD902,
VD906, V910.0
Network 2
Move the axis to a known
position using the Jog
command. You can now
move the axis manually.
Symbol and Address:
1
AXIS0_MAN = SBR2
CPU_Input10 = I1.2
CPU_Input12 = I1.4
CPU_Input13 = I1.5
CPU_Input8 = I1.0
CPU_Input9 = I1.1
LD CPU_Input8
AN M0.0
= L60.0
LD CPU_Input9
= L63.7
LD CPU_Input10
= L63.6
LD CPU_Input12
= L63.5
LD L60.0
CALL AXIS0_MAN,
L63.7, L63.6,
L63.5, 100000.0,
CPU_Input13,
VB920, VD902,
VD906, V910.0
Network 3
Reset the process. Set the
initial step to "0".
Symbol and Address:
1
CPU_Input1 = I0.1
CPU_Output3 = Q0.3
First_Scan_On = SM0.1
Homing_Done = M1.1
State_Machine_Step =
VB1500
LD CPU_Input1
O First_Scan_On
R M0.0, 1
MOVB 0,
State_Machine_
Step
R CPU_Output3, 3
R Homing_Done, 2

Table of Contents

Other manuals for Siemens SIMATIC S7

Related product manuals