EasyManua.ls Logo

Siemens SIMATIC S7 - Interconnections

Siemens SIMATIC S7
866 pages
To Next Page IconTo Next Page
To Next Page IconTo Next Page
To Previous Page IconTo Previous Page
To Previous Page IconTo Previous Page
Loading...
Open loop motion control
12.7 Using the AXISx_ABSPOS subroutine to read the absolute position from a SINAMICS servo drive
S7-200 SMART
638 System Manual, V2.3, 07/2017, A5E03822230-AF
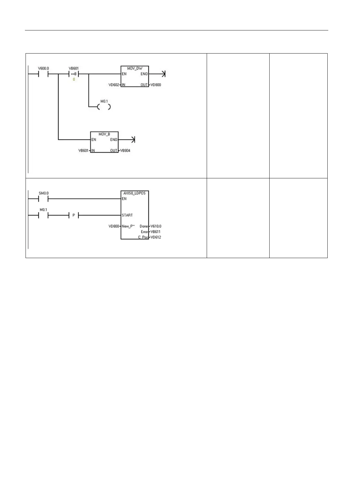
Network 2:
When the operation is
done, capture the error
code and also capture
the servo position, if no
error.
LD V600.0
LPS
AB= VB601, 0
MOVD VD602,
VD800
= M0.1
LPP
MOVB VB601, VB804
Network 3:
Update the current
position in this Axis of
Motion with the cap-
tured servo position
value.
LD SM0.0
= L60.0
LD M0.1
EU
= L63.7
LD L60.0
CALL AXIS0_LDPOS,
L63.7, VD800,
V610.0, VB611,
VD612
12.7.2
Interconnections
Digital I/O
Refer to the section "Connection examples with PLCs" in the
SINAMICS V90 /
SIMOTICS S-1FL6 Operating Instructions
document to find wiring diagrams for connection of
the suggested digital control signals between an S7-200 SMART CPU and a V90 servo
drive.
Communications
The AXISx_ABSPOS subroutine obtains the position data from the drive using serial
communications on the RS485 link between the two devices. Therefore, connect a cable
between the RS485 port on the S7-200 SMART CPU (or optionally the S7-200 SMART
CM01 signal board, if your CPU model supports it) and the RS485 port on the V90 servo
drive.
Refer to the appropriate sections of the
S7-200 SMART System Manual
and the
SINAMICS V90 / SIMOTICS S-1FL6 Operating Instructions
documents for descriptions of
the RS485 ports on the S7-200 SMART CPU and V90 servo drive.

Table of Contents

Other manuals for Siemens SIMATIC S7

Related product manuals