EasyManua.ls Logo

Siemens SIMODRIVE 611 digital - Application Examples with SIMODRIVE 611

Siemens SIMODRIVE 611 digital
436 pages
Print Icon
To Next Page IconTo Next Page
To Next Page IconTo Next Page
To Previous Page IconTo Previous Page
To Previous Page IconTo Previous Page
Loading...
8
05.01
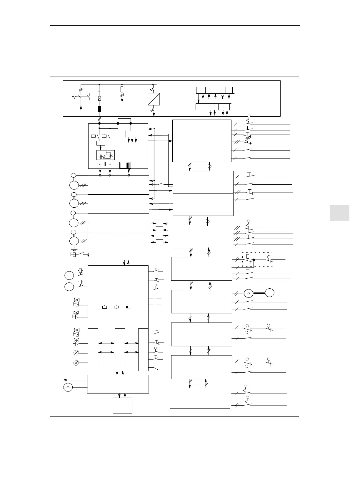
8.6 Application examples with SIMODRIVE 611
8-263
© Siemens AG 2008 All Rights Reserved
SIMODRIVE 611 Configuration Manual (PJU) -- 05/2008 Edition
8.6 Application examples with SIMODRIVE 611
8.6.1 Block diagram of the application example
Supply, PLC, NC
=4/2
=5/1
=6/1
=8/1
=9/1
=7/1
=10/1
=4/3
Drives
on/off/stop
in an emergency
(line contactor)
MSD
Start/stop (start inhibit)
t
(v)
>1s
FD
Start/stop (start inhibit)
t
(v)
<1s
Protective door
monitoring
MSD
External speed
monitoring
n=0/n>n
x
Limit-position
monitoring
Armature short-circuit
braking
Power contactors
in the motor circuit
Modes
automatic/setting--up
Agreement
User-side
machine
control
Drive, off/on
Drive, off/on
Limit
position
(+)
(-- )
Move away from
the limit position
Limit
position
(+)
(-- )
Move away from
the limit position
Automatic/setting--up
MSD
Spindle encoder
n=0MSD
Request enable
Position
switches
Agreement function
Setup
t
(v)
changeover
when setting--up
Automatic
Setpoint changeover
when setting--up
Start drives
Start agreement
Stop drives
Control, on/off
Drives, off
Drives, on
n>nxMSD
EMERGENCY STOP
=1/1
=1/2
PLC
NC
EE AA
Monitor/
machine
control panel
n--setpoint
NC/FM (analog)
machining program
Position encoders
1ton
indirect or direct
measuring system
PLC
O
PLC
logic
PLC
I
M
M
Interlocks wi th the drive control
(plant/system--specific)
NC
program
Stop
Start
& ² t
(v)
FD module
(2--axis module)
MSD module
FD module
M
M
G
G
G
G
E
A
E
A
PLC
M
M
n>n
x
=4/1
P600 M600
Equipment bus
NE module
5/15/24 V
PS
=4/1
Pre--char
ge
Supp
ly
syste
m
=
µ
Reactor
Filter
24 V DC
Agreement function
Limit position
Fig. 8-13 Block diagram of the application example
8
Im
p
o
r
t
a
n
t
C
r
cu
t
Info
r
m
a
t
on
Aotewell Ltd
www.aotewell.com
Industry Automation
HongKong|UK|China
sales@aotewell.com
+86-755-8660-6182

Table of Contents

Related product manuals