EasyManua.ls Logo

Siemens SIMODRIVE 611 digital - Information and Instructions Regarding Applications with 611 Digital;611 Universal

Siemens SIMODRIVE 611 digital
436 pages
To Next Page IconTo Next Page
To Next Page IconTo Next Page
To Previous Page IconTo Previous Page
To Previous Page IconTo Previous Page
Loading...
8
05.01
8.8 Information and instructions regarding applications
8-295
© Siemens AG 2008 All Rights Reserved
SIMODRIVE 611 Configuration Manual (PJU) – 05/2008 Edition
8.8 Information and instructions regarding applications
with 611 digital/611 universal
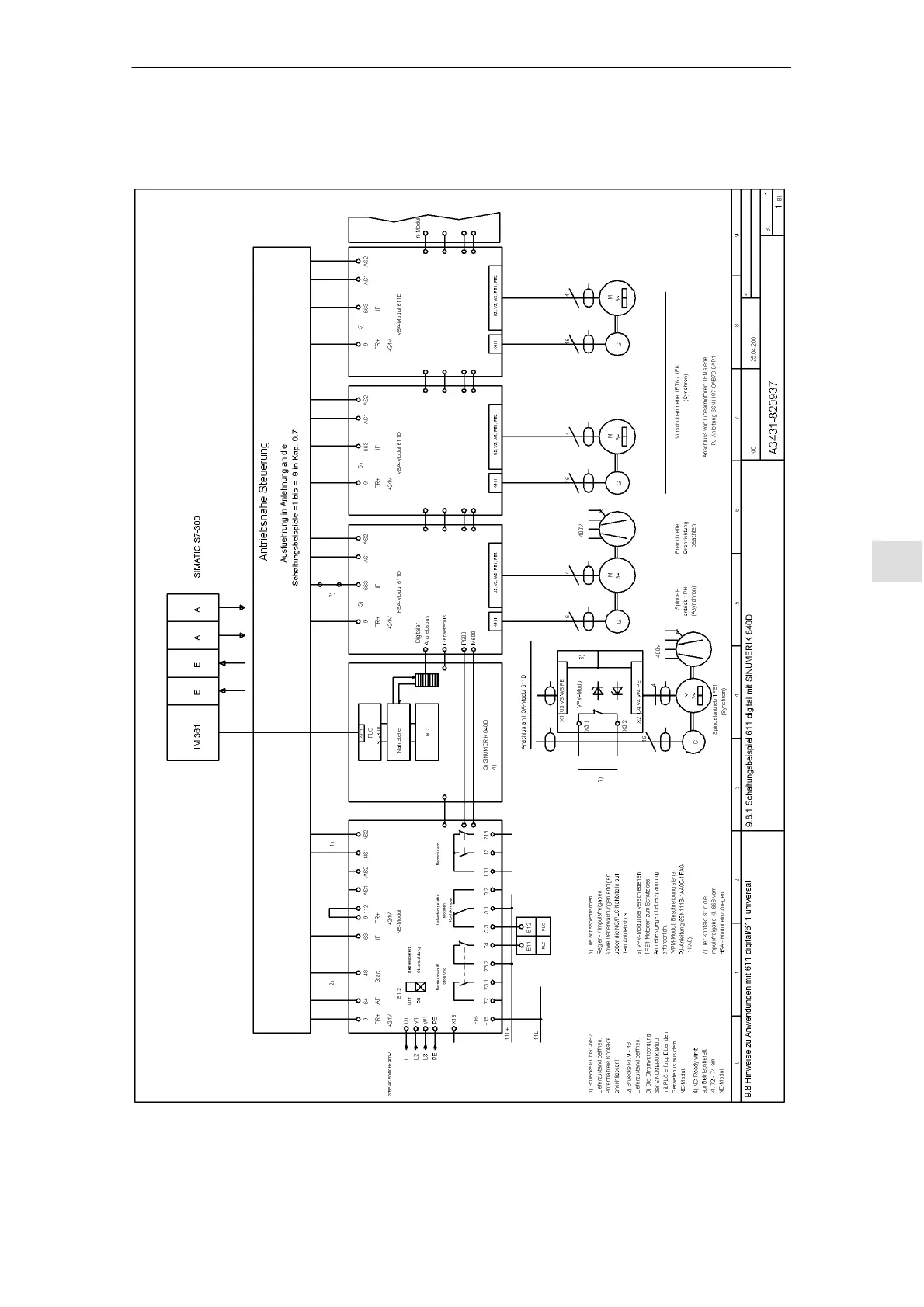
Fig. 8-25 Circuit example, 611 digital with SINUMERIK 840D
8 Im
p
ortant Circuit Information05.08
Aotewell Ltd
www.aotewell.com
Industry Automation
HongKong|UK|China
sales@aotewell.com
+86-755-8660-6182

Table of Contents

Related product manuals