EasyManua.ls Logo

Sony HCD-HPX7 - SCHEMATIC DIAGRAM - POWER BOARD -

Sony HCD-HPX7
110 pages
Print Icon
To Next Page IconTo Next Page
To Next Page IconTo Next Page
To Previous Page IconTo Previous Page
To Previous Page IconTo Previous Page
Loading...
7575
HCD-HPX7
HCD-HPX7
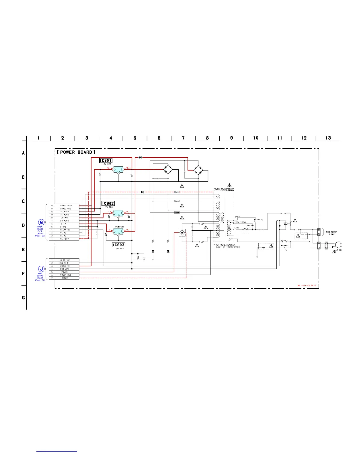
7-17. SCHEMATIC DIAGRAM — POWER BOARD —
AEP,UK,KR
CND,TW,MX
CND
E3,AUS
EXCEPT E3,AUS
EXCEPT CND,AEP,UK
D913
R901
R902
F901
*
1
F902
*
1
*
1 F901, F902
T4AL/125V : CND
T4AL/250V : EXCEPT CND,TW
T5AL/125V : TW
C904
C905
C903
C902
C901
C912
C915R909
IC903
IC902
IC901
T901
JW903
JW934
D902
D903
D904
D905
D906
D907
D908
D909
D911
D912
R906
D914
D901
C907
R905
R904
R903
C909
C913
C914
RY901
CN903
CN904
CN901
CN902
D910
JW902
JW901
JW904
JW906
JW907
C916
1SS133T-77
1k
1k
470
10V
3300
25V
470
10V
3300
25V
470
10V
220
50V
10 50V2.2k
TA7807S
TA7810S
1N4002B
1N4002B
1N4002B
1N4002B
1N4002B
1N4002B
1N4002B
1N4002B
1SS133T-77
1SS133T-77
1N4002B
D5SBA20
0.1
50V
3.3
1/4W
0.22
1/4W
0.22
1/4W
0.1
50V
0.1
0.1
2P
2P
12P
7P
10EDB40-TA1B2
3.3M
4700p

Table of Contents

Related product manuals