EasyManua.ls Logo

Sony STR-DA2800ES - Important Safety Precautions; General Safety and Power Precautions

Sony STR-DA2800ES
214 pages
Print Icon
To Next Page IconTo Next Page
To Next Page IconTo Next Page
To Previous Page IconTo Previous Page
To Previous Page IconTo Previous Page
Loading...
STR-DA2800ES
119
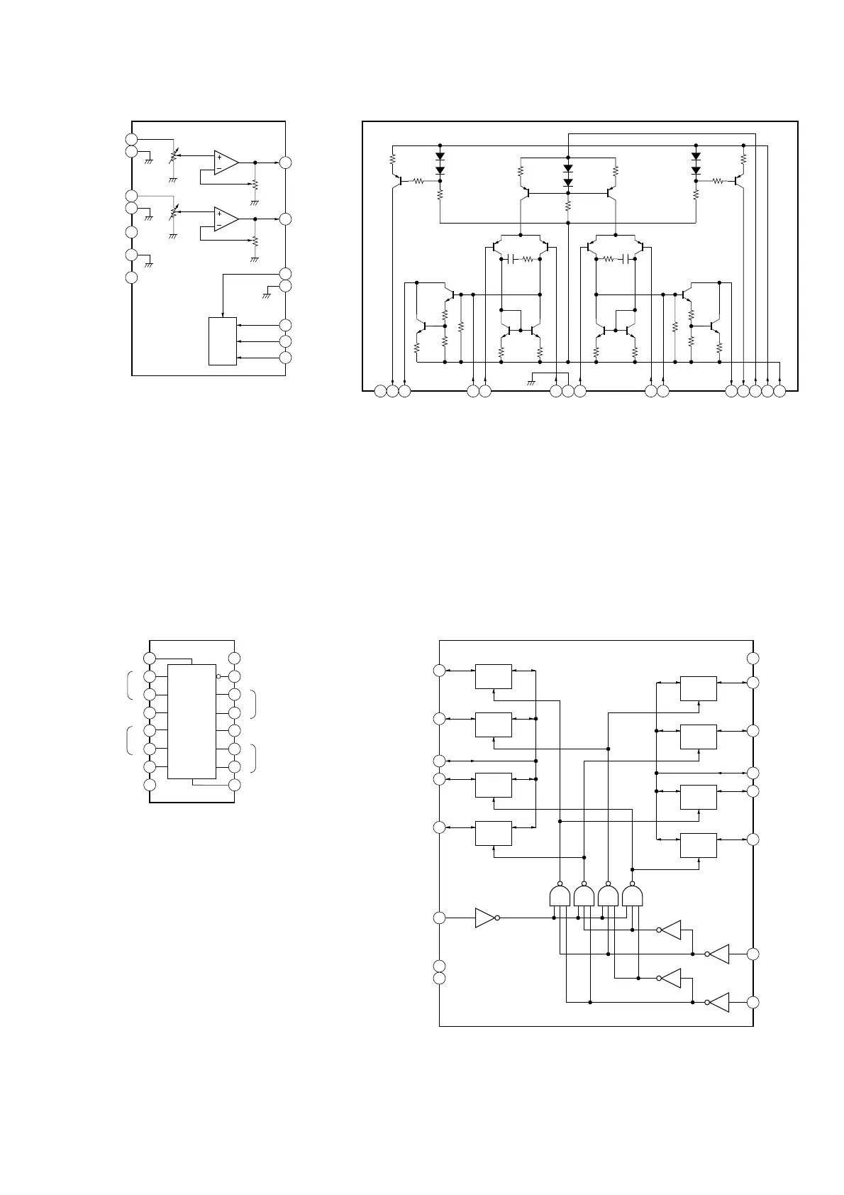
IC301 BD3812F-E2
14
3
2
IN2
4
AGND2
5
VEE
6
AGND3
7
VCC
OUT1
13
OUT2
12
SEL
11
DGND
10
MUTE
9
DA
8
CL
GND1
1
IN1
LOGIC
IC502, 507, 512, 517 STK350-630TS-E
321
N.C.
OUT1 (+)
OUT1 (–)
Phase1
NF1
IN1
IN2
NF2
Phase2
OUT2 (–)
OUT2 (+)
+Vcc1
+Vcc2
–Vcc
5 9 11 13 1412 154 106
GND
7 8
– CONTROL Board –
IC2661, 2761 TC74VHC157FT (EKJ)
SELECT
111
1A
2
3
4
5
6
7
INPUT
INPUT
OUTPUT
OUTPUT
1A
1B
1Y
2A
2B
2Y
1B
1Y
2A
2B
2Y
GND
8
VCC
STROBE
16
4A
15
14
13
11
12
11
10
INPUT
INPUT
OUTPUT
OUTPUT
G
4B
4Y
3A
4A
4B
4Y
3A
3B
9
3B
3Y
3Y
S
IC2671 TC74VHC4052AFT (EK)
0Y 1
Y-COM
3
A10
B
9
3X
11
0X
12
X-COM13
1X
14
2X
15
VCC
16
O/I I/O
C
2Y 2 O/I I/O
C
3Y 4 O/I I/O
C
1Y 5 O/I I/O
C
INH 6
GND
7
GND
8
I/O O/I
C
I/O O/I
C
I/O O/I
C
I/O O/I
C

Table of Contents

Other manuals for Sony STR-DA2800ES

Related product manuals