EasyManua.ls Logo

Sony STR-DA2800ES - Troubleshooting Common Issues; Receiver Power and Output Problems

Sony STR-DA2800ES
214 pages
Print Icon
To Next Page IconTo Next Page
To Next Page IconTo Next Page
To Previous Page IconTo Previous Page
To Previous Page IconTo Previous Page
Loading...
STR-DA2800ES
120
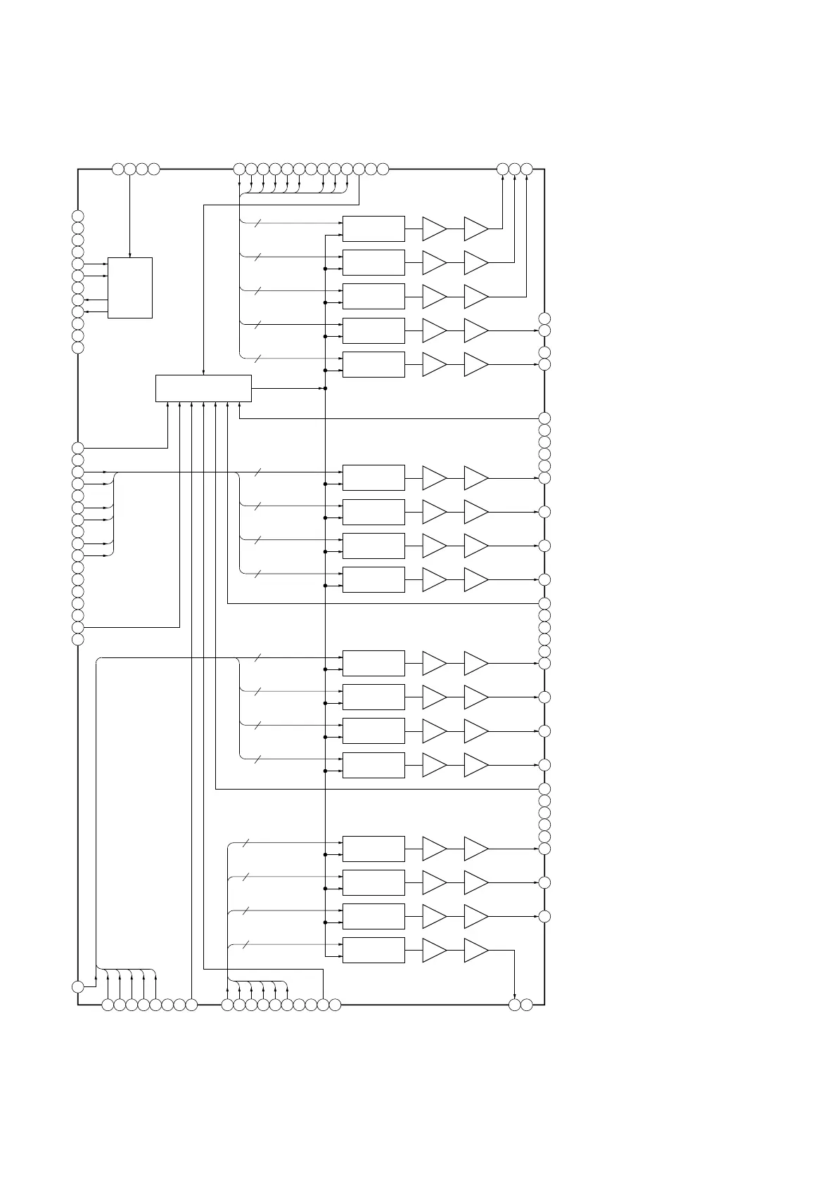
A-VIDEO Board –
IC6014 NJW1327FU1
31
67
1
PBIN2
32
PBIN3
33
PBIN4
34
PBIN5
35
PBIN6
36
VCC
37
VEE
39
PRIN6
38
BAISPR1
40
PRIN6
41
PRIN4
42
PRIN3
43
PRIN2
44
PRIN1
45
VCC
46
VEE
47
BIASPR2
48
N.C.
49
PROUT4
50
N.C.
BIASY2
68
YOUT4
69
YOUT3
70
YOUT2
71
YOUT1
72
VCC
73
N.C.
74
VEE
75
NC
76
BIASV2
77
VOUT5
78
N.C.
79
VOUT4
VIN1 - VIN9
80
N.C.
51
PROUT3
52
PROUT2
53
PROUT1
54
VCC
55
N.C.
56
VEE
57
N.C.
58
BIASPB2
59
PBOUT4
60
PBOUT3
61
PBOUT2
62
PBOUT1
63
VCC
64
N.C.
65
VEE
66
N.C.
GND
99
VDD
98
N.C.
97
VCC
90
N.C.
91
VIN4
92
VIN5
93
VIN6
94
VIN7
95
VIN8
96
VIN9
89
VIN3
88
VIN2
87
VIN1
86
BIASV1
85
VEE
84
VCC
83
VOUT1
82
VOUT2
81
VOUT3
VEE
2
N.C.
3
PS
4
N.C.
5
SDA
6
SCL
7
N.C.
8
EX1
9
EX2
10
N.C.
11
VEE
12
N.C.
13
BIASY1
14
N.C.
15
YIN1
16
YIN2
17
N.C.
18
YIN3
19
YIN4
20
N.C.
21
YIN5
22
YIN6
23
N.C.
24
VCC
25
N.C.
26
VEE
27
N.C.
28
BIASPB1
29
N.C.
30
PBIN1
I2C BUS
BIAS
100
INPUT SELECT
SWITCH
6dB/
0dB
9
VIN1 - VIN9
INPUT SELECT
SWITCH
9
1k:
VIN1 - VIN9
INPUT SELECT
SWITCH
6dB/
0dB
9
1k:
6dB 75:
VIN1 - VIN9
INPUT SELECT
SWITCH
9
6dB 75:
YIN1 - YIN6
INPUT SELECT
SWITCH
6dB/
0dB
6
YIN1 - YIN6
INPUT SELECT
SWITCH
6
1k:
YIN1 - YIN6
INPUT SELECT
SWITCH
6dB/
0dB
6
1k:
6dB 75:
YIN1 - YIN6
INPUT SELECT
SWITCH
6
6dB 75:
PBIN1 - PBIN6
INPUT SELECT
SWITCH
6dB/
0dB
6
PBIN1 - PBIN6
INPUT SELECT
SWITCH
6
1k:
PBIN1 - PBIN6
INPUT SELECT
SWITCH
6dB/
0dB
6
1k:
6dB 75:
PBIN1 - PBIN6
INPUT SELECT
SWITCH
6
6dB 75:
PRIN1 - PRIN6
INPUT SELECT
SWITCH
6dB/
0dB
6
PRIN1 - PRIN6
INPUT SELECT
SWITCH
6
1k:
PRIN1 - PRIN6
INPUT SELECT
SWITCH
6dB/
0dB
6
1k:
6dB 75:
PRIN1 - PRIN6
INPUT SELECT
SWITCH
6
6dB 75:
VIN1 - VIN9
INPUT SELECT
SWITCH
9
6dB 75:

Table of Contents

Other manuals for Sony STR-DA2800ES

Related product manuals