EasyManua.ls Logo

Sony STR-DA2800ES - Troubleshooting Specific Output Issues; Component Video and HDMI Output Problems

Sony STR-DA2800ES
214 pages
Print Icon
To Next Page IconTo Next Page
To Next Page IconTo Next Page
To Previous Page IconTo Previous Page
To Previous Page IconTo Previous Page
Loading...
STR-DA2800ES
121
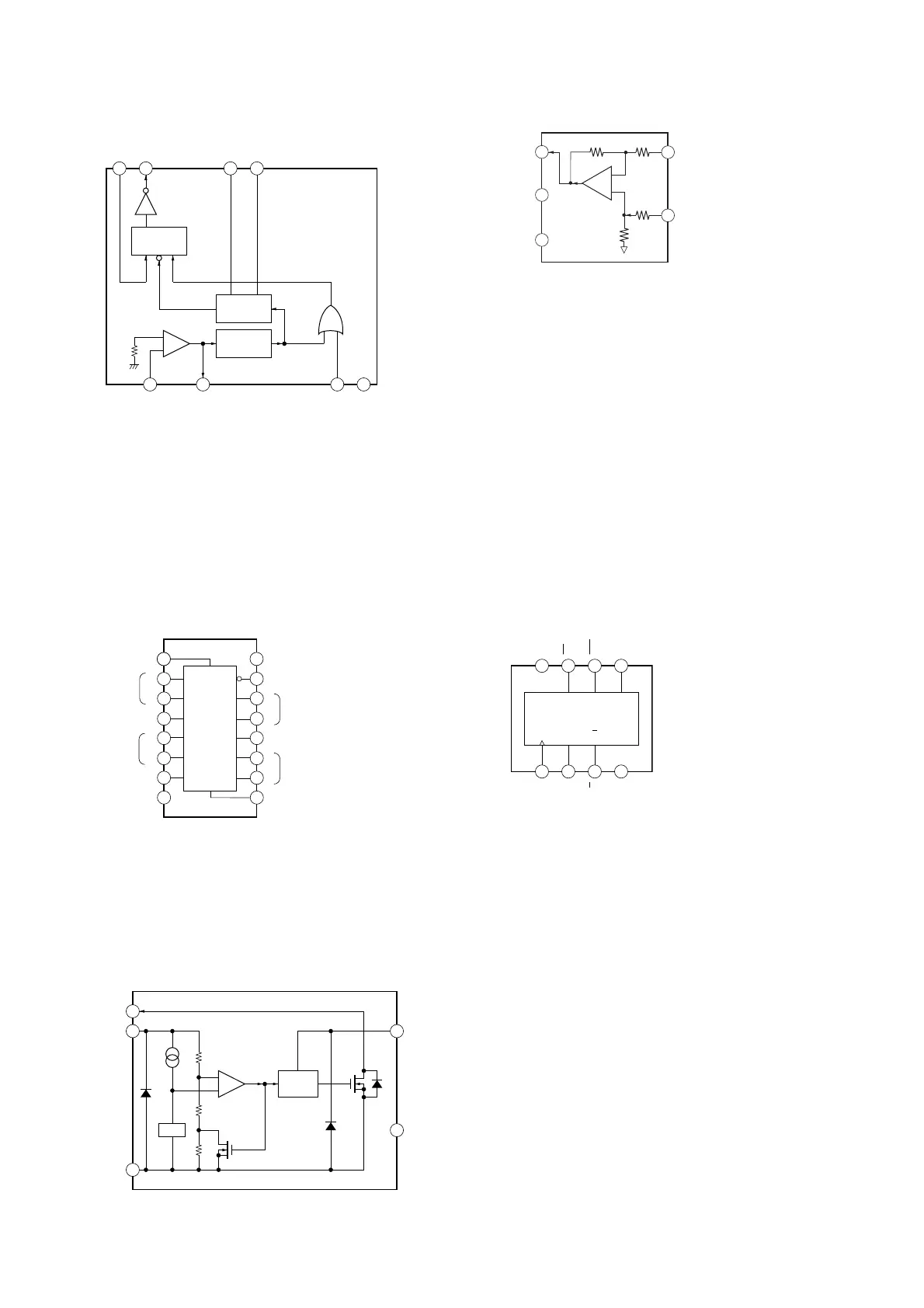
IC6016 NJU7181RB1 (TE2)
CAP_D
5
RES_D
6
V+
8
OUT
7
IN
1
A
MP_OUT
2
TRIN
3
GND
4
LEVEL
DETECTOR
DELAY
LATCH
CLR
D
+
L
IC6023 NJM2505AF (TE2)
4
Vin
VGND
V+
GND
Vout
+
1
2
3
5
IC6201 TC74VHC157FT (EKJ)
SELECT
111
1A
2
3
4
5
6
7
INPUT
INPUT
OUTPUT
OUTPUT
1A
1B
1Y
2A
2B
2Y
1B
1Y
2A
2B
2Y
GND
8
VCC
STROBE
16
4A
15
14
13
11
12
11
10
INPUT
INPUT
OUTPUT
OUTPUT
G
4B
4Y
3A
4A
4B
4Y
3A
3B
9
3B
3Y
3Y
S
IC6204 S-80929CNMC-G8ZT2G
VDD 2
OUT 1
VSS
3
+
VREF
CD5
NC4
DELAY
CIRCUIT
IC6203 TC7WH74FU (TE12R)
6
CLR
7
PR
8
VCC
5
Q
RSQ
3
Q
2
D
4
GND
1
CK
QDC

Table of Contents

Other manuals for Sony STR-DA2800ES

Related product manuals