EasyManua.ls Logo

Sony STR-DA2800ES - Page 134

Sony STR-DA2800ES
214 pages
Print Icon
To Next Page IconTo Next Page
To Next Page IconTo Next Page
To Previous Page IconTo Previous Page
To Previous Page IconTo Previous Page
Loading...
STR-DA2800ES
134
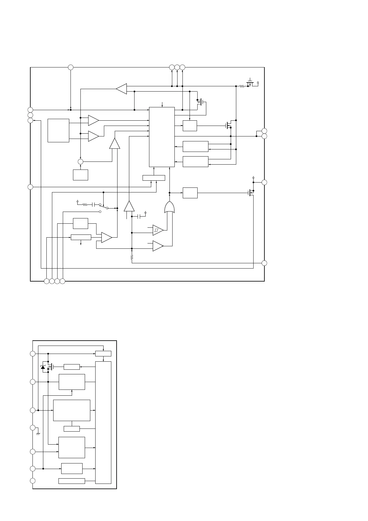
IC3903, 3904 ISL8023A
5
9
FB
11
PGND
12
PGND
PWM/PFM
LOGIC
CONTROLLER
PROTECTION
HS DRIVER
OSCILLATOR
SHUTDOWN
SHUTDOWN
SHUTDOWN
CSA
OCP
BANDGAP
+
ZERO-CROSS
SENSING
LS
DRIVER
SLOPE
COMP
ISET
THRESHOLD
SOFT
START
1 ms
DELAY
NEG CURRENT
SENSING
+
+
SKIP
+
SCP
UV
OV
0.5 V
0.85 V
VREF
0.6 V
+
COMP
+
+
+
EAMP
+
+
1
VIN
2
VDD
3
PG
4
SYNC
EN
6
FS
8
COMP
7
SS
PHASE
13
PHASE
14
PHASE
15
VIN
16
10
SGND
ACDC Board –
IC921 STR-Y6763
D/ST 1
S/OCP
2
VCC
3
GND 4
BD
6
FB/OLP 5
STARTUP
LOGIC
DRIVER
LATCH
OVERCURRENT
PROTECTION/
BOTTOM-SKIP
UNDER VOLTAGE
LOCK OUT/
REGULATOR/
CONSTANT CURRENT
FEEDBACK/
STANDBY
OVERLOAD
PROTECTION
BOTTOM
DETECTION
NF 7
OSCILLAOTR

Table of Contents

Other manuals for Sony STR-DA2800ES

Related product manuals