EasyManua.ls Logo

tecan infinite 200 - Page 66

tecan infinite 200
162 pages
Print Icon
To Next Page IconTo Next Page
To Next Page IconTo Next Page
To Previous Page IconTo Previous Page
To Previous Page IconTo Previous Page
Loading...
5. Optical System
66 Instructions for Use for infiniteĀ® 200 No. 30017581 Rev. No. 1.4 2008-07
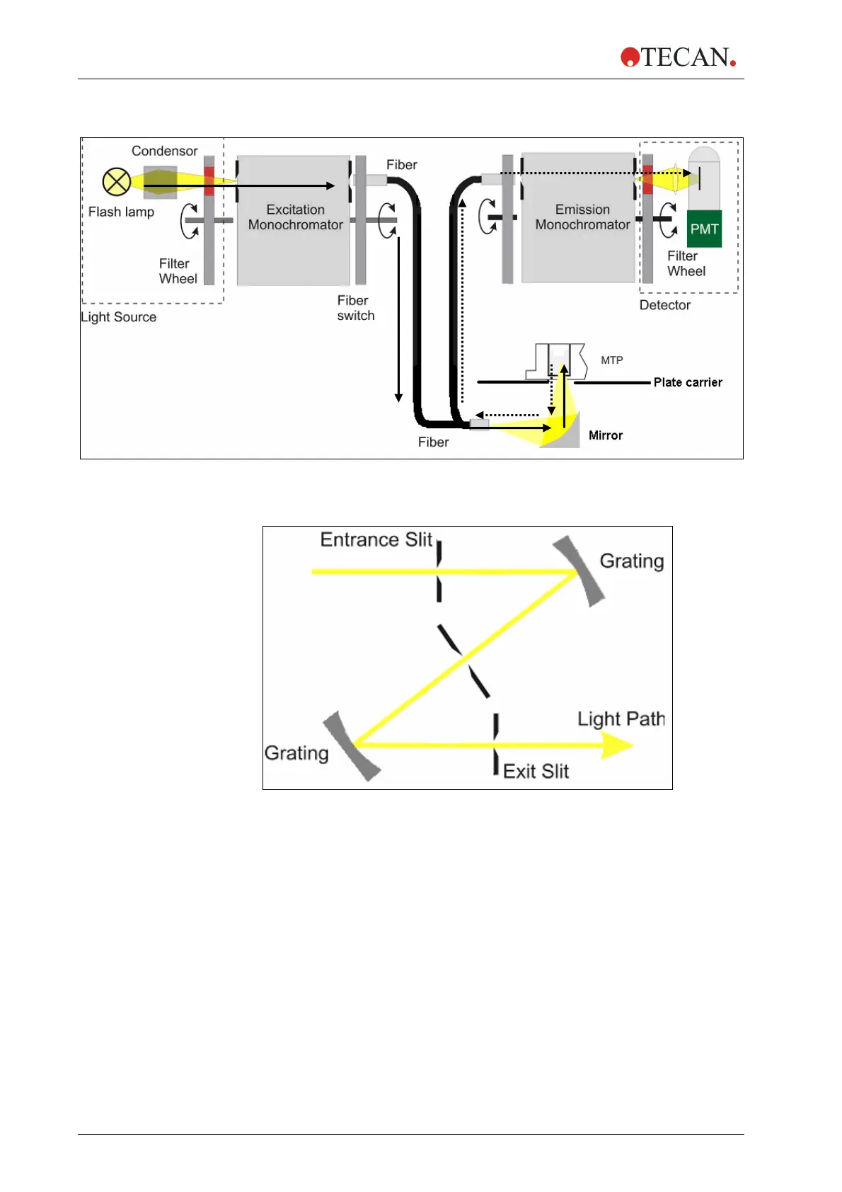
Figure 5-2: Optical System Fluorescence Bottom
Figure 5-3: Detailed view of excitation and emission double monochromator unit
1
2
3
4
5

Table of Contents

Related product manuals