EasyManua.ls Logo

tecan infinite 200 - Fluorescence Intensity System - Infinite

tecan infinite 200
162 pages
Print Icon
To Next Page IconTo Next Page
To Next Page IconTo Next Page
To Previous Page IconTo Previous Page
To Previous Page IconTo Previous Page
Loading...
5. Optical System
2008-07 Instructions for Use for infinite® 200 No. 30017581 Rev. No. 1.4 71
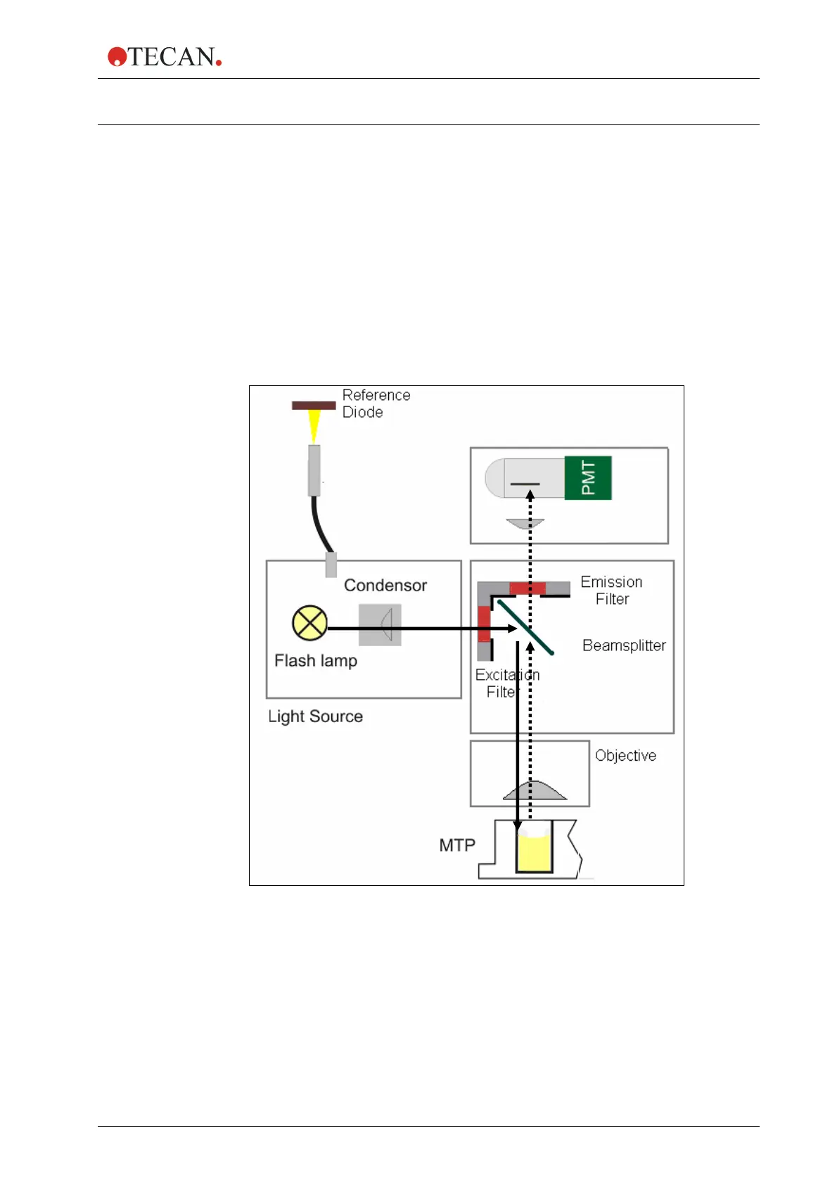
5.2 Fluorescence Intensity System infinite
®
F200
The following parts constitute the fluorescence intensity system of the
infinite
®
F200 instrument:
Light Source (1)
Fluorescence Optics (2)
Fluorescence Detection System (3).
The fluorescence top system is shown in Figure 5-4, the bottom sy
stem in Figure
5-5. The solid arrows indicate the excitation light path; the dashed arrows
determine the emission light path.
Figure 5-4: Fluorescence intensity top system of the
infinite
®
F200
1
2
2
3

Table of Contents

Related product manuals