EasyManua.ls Logo

tecan infinite 200 - Absorbance System - Infinite F200

tecan infinite 200
162 pages
Print Icon
To Next Page IconTo Next Page
To Next Page IconTo Next Page
To Previous Page IconTo Previous Page
To Previous Page IconTo Previous Page
Loading...
5. Optical System
2008-07 Instructions for Use for infinite® 200 No. 30017581 Rev. No. 1.4 87
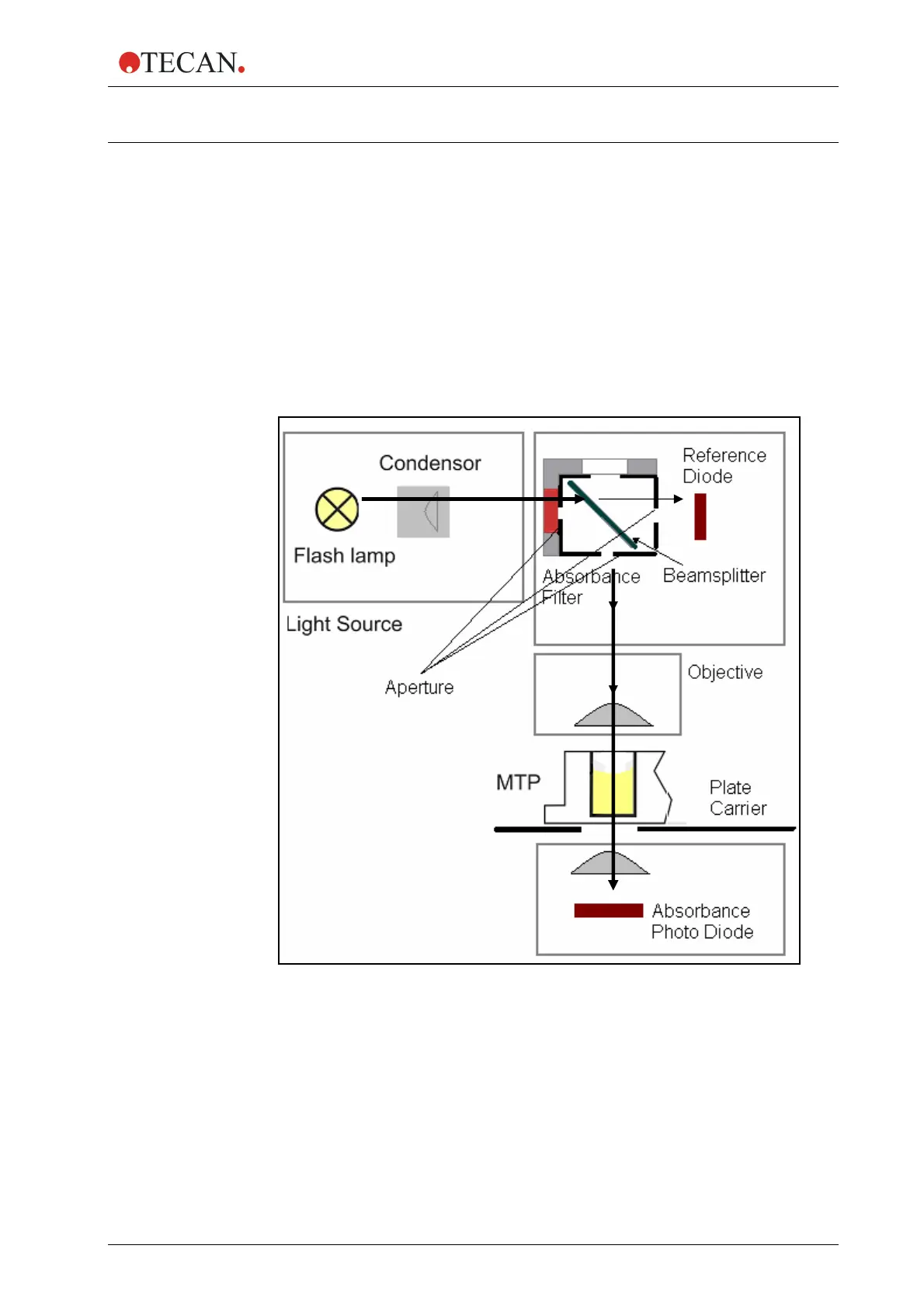
5.6 Absorbance System infinite
®
F200
For absorbance measurements a similar optical path is used as for fluorescence
excitation. The absorbance measurement module is located underneath the plate
carrier. It measures the light being transmitted through the sample. Before
measurement of the microplate, a reference measurement is performed with the
plate carrier moved out of the light beam (see also 2.2.2 Absorbance).
The ab
sorbance system is shown in Figure 5-12 a
nd consists of the following
components:
Light Source (1)
Absorbance Optics (2)
Absorbance Detection Unit (3)
Figure 5-12: Absorbance System of the
infinite
®
F200
(1)
(2)
(2)
(3)

Table of Contents

Related product manuals