EasyManua.ls Logo

Technogym Run XT - Wiring Diagram for the 220 Model

Technogym Run XT
132 pages
Print Icon
To Next Page IconTo Next Page
To Next Page IconTo Next Page
To Previous Page IconTo Previous Page
To Previous Page IconTo Previous Page
Loading...
RUN XT: Service & Maintenance Manual - rev. 2.0
Page 2.2
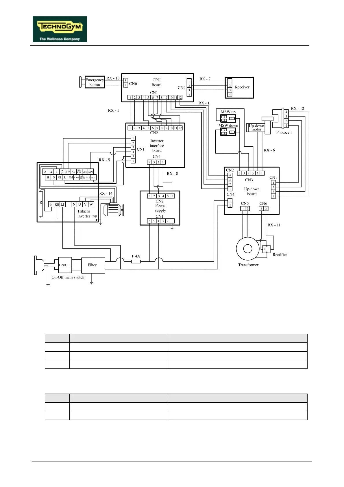
2.5. WIRING DIAGRAM FOR THE 220 MODEL
2.5.1. CONNECTORS
CPU board
name type of connector connection
CN1 AMP MATE-N-LOCK 12-pin F. to up-down and inverter interface boards
CN2 AMP MODU II 2-pin M. to emergency button
CN4 AMP MODU II 4-pin M. to cardio receiver
Power supply
name type of connector connection
CN1 PANDUIT 6-pin to mains electricity supply
CN2 PANDUIT 8-pin to inverter interface board

Table of Contents

Related product manuals