EasyManua.ls Logo

Technogym Run XT - Wiring Diagram for the 110 Model

Technogym Run XT
132 pages
Print Icon
To Next Page IconTo Next Page
To Next Page IconTo Next Page
To Previous Page IconTo Previous Page
To Previous Page IconTo Previous Page
Loading...
RUN XT: Service & Maintenance Manual - rev. 2.0
Page 2.8
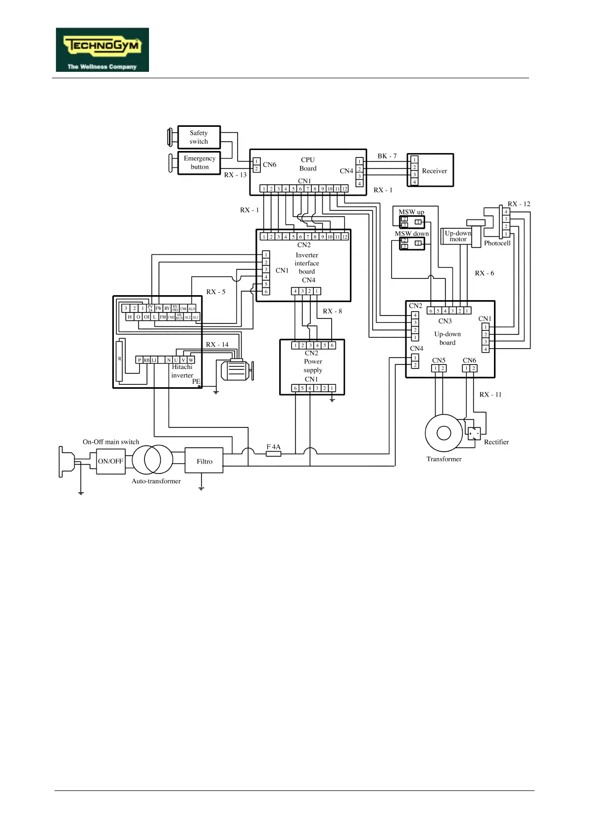
2.7. WIRING DIAGRAM FOR THE 110 MODEL
The differences between the 110 Model and the 220 Model are:
the automatic circuit breaker is 20 A - class D instead of 10 A - class C;
autotransformer 110 - 220;
mains lead with different cable section and plug;
presence, as on the 220 USA Model, of the safety switch.
As regards the wiring, the safety switch uses cable RX-13 USA, while the other cables remain
unvaried. Therefore, for their description, refer to the details provided for the 220 and 220 USA
Models.

Table of Contents

Related product manuals