EasyManua.ls Logo

TESTO 6383 - Page 42

TESTO 6383
140 pages
Print Icon
To Next Page IconTo Next Page
To Next Page IconTo Next Page
To Previous Page IconTo Previous Page
To Previous Page IconTo Previous Page
Loading...
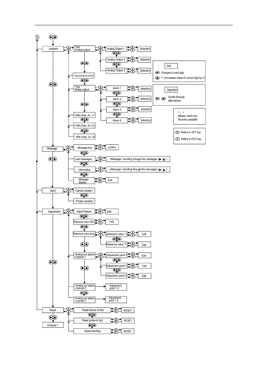
4 Transmitter
42

Table of Contents

Related product manuals