EasyManua.ls Logo

TESTO 6383 - Overview of the Testo 6383 User Menu

TESTO 6383
140 pages
Print Icon
To Next Page IconTo Next Page
To Next Page IconTo Next Page
To Previous Page IconTo Previous Page
To Previous Page IconTo Previous Page
Loading...
4 Transmitter
40
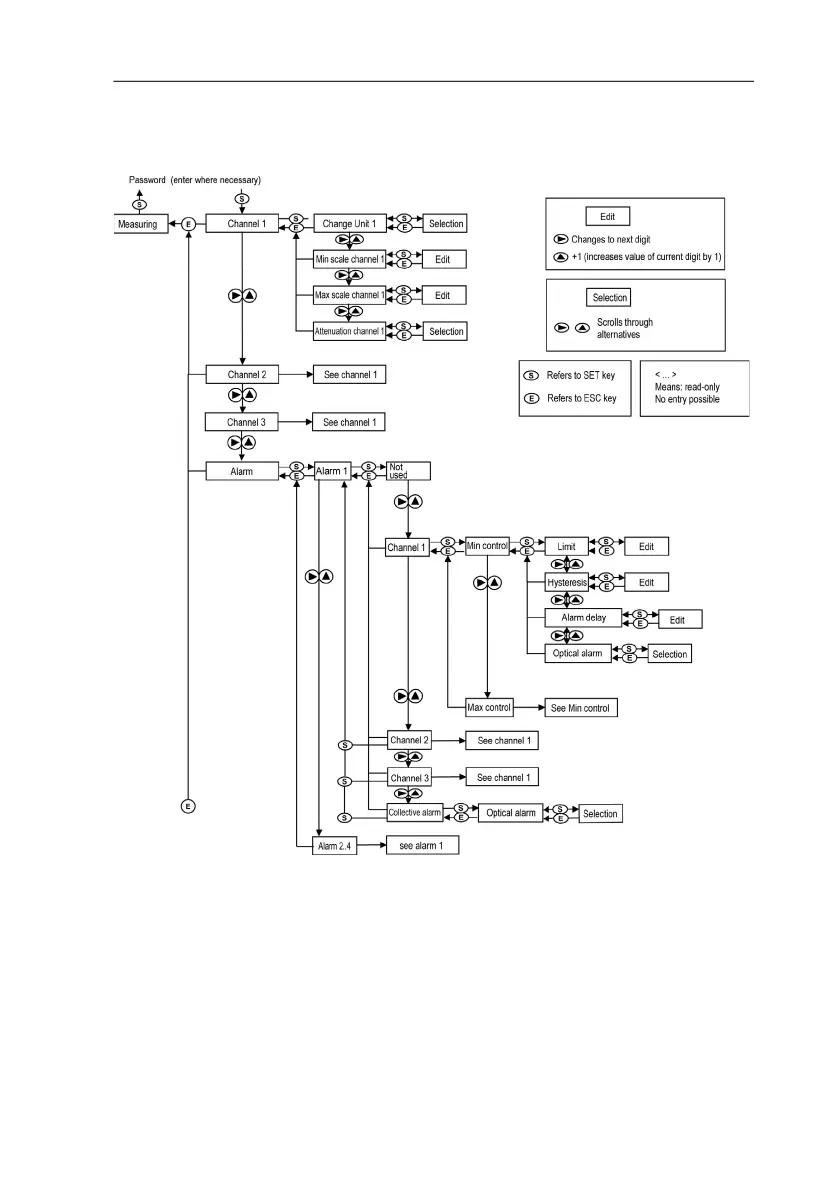
4.4.4. Overview of the testo 6383 user menu

Table of Contents

Related product manuals