EasyManua.ls Logo

Triconex Trident - Page 100

Default Icon
274 pages
Print Icon
To Next Page IconTo Next Page
To Next Page IconTo Next Page
To Previous Page IconTo Previous Page
To Previous Page IconTo Previous Page
Loading...
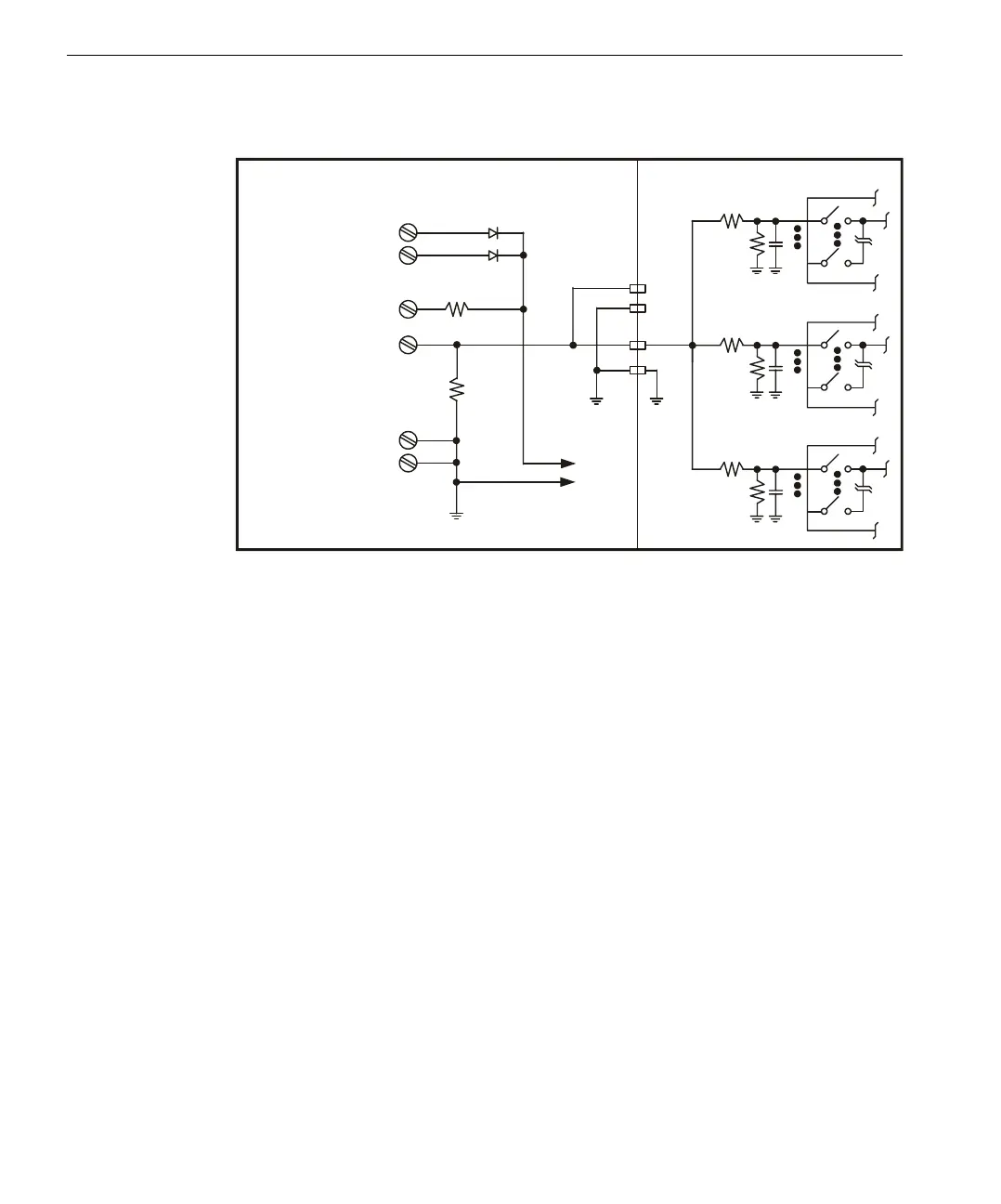
84 Input/Output Modules
Trident Planning and Installation Guide
Model 2301 Digital Input Baseplate Simplified Schematic
To
Other
Points
Field Power (PS1 +)
In
+
Field Power (PS1) –
Field Power (PS2) +
Field Power (PS2) –
3 K
DI Baseplate 32-Point DI Module
To
Spare
1
32
1
32
Mux
1
32
Mux
Mux
180

Table of Contents