EasyManua.ls Logo

Vaillant MultiMatic 700/2 - Page 37

Vaillant MultiMatic 700/2
112 pages
Print Icon
To Next Page IconTo Next Page
To Next Page IconTo Next Page
To Previous Page IconTo Previous Page
To Previous Page IconTo Previous Page
Loading...
multiMATIC 700/2
Notes
10/2015 33 Training 0020228700_00
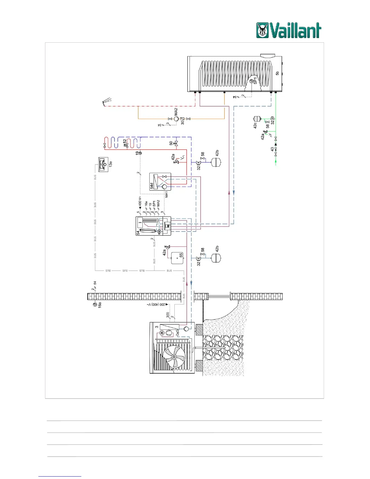
System diagram 11
This system diagram does not contain all of the cut-off and safety devices required for correct installation. Comply with the
applicable standards and directives. Comply with the necessary minimum circulation water volumes in the heating circuit.
System diagram = 11
No VR 70

Table of Contents

Related product manuals