EasyManua.ls Logo

Varec 2500 - Page 70

Varec 2500
124 pages
Print Icon
To Next Page IconTo Next Page
To Next Page IconTo Next Page
To Previous Page IconTo Previous Page
To Previous Page IconTo Previous Page
Loading...
2500 Automatic Tank Gauge
60 Installation and Operations Manual
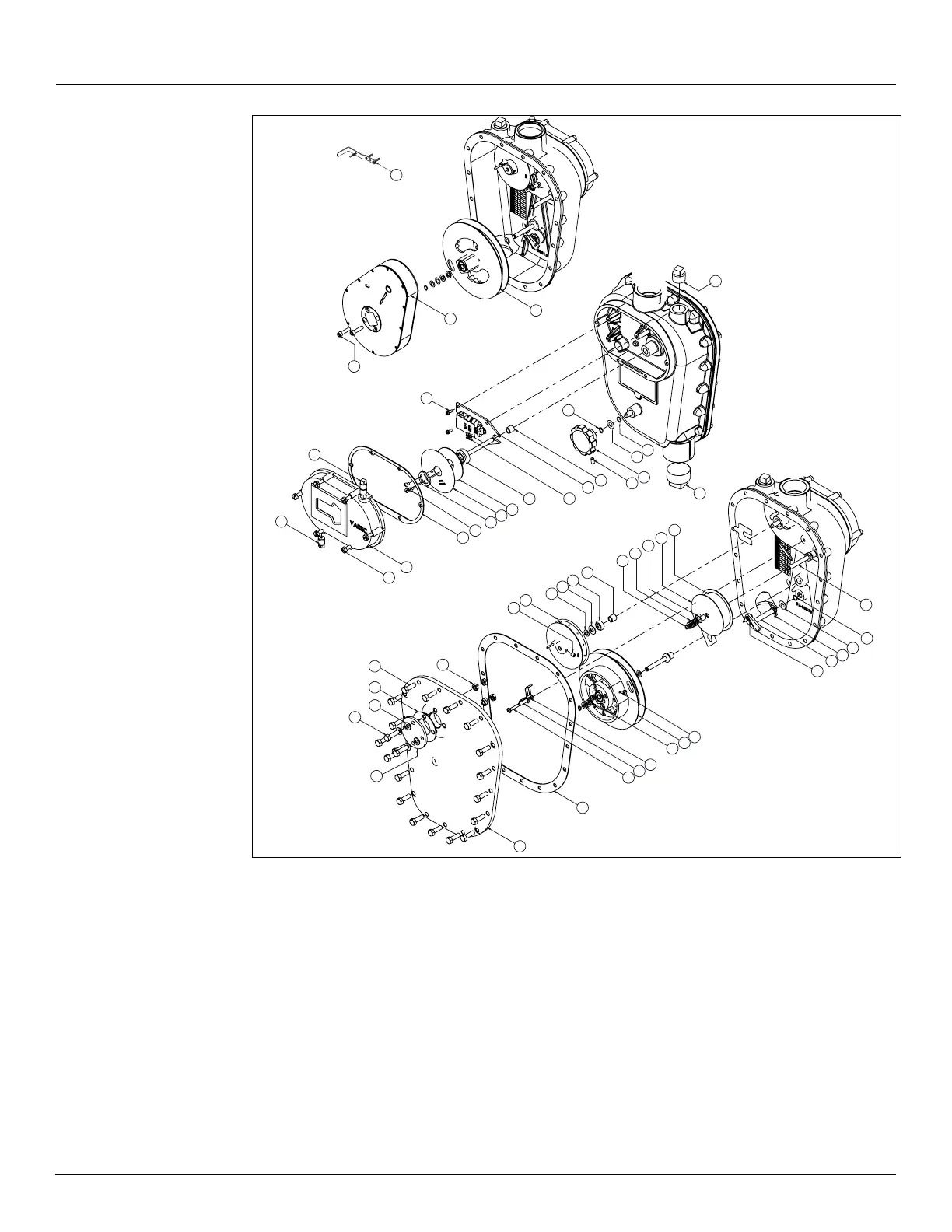
Figure 8: 2500 ATG (Type C) Gauge Head Spare Parts
Perform these steps to disassemble the gauge head.
Note Disassemble the gauge head only as far as needed to replace worn or defective
parts.
Warning Vapors and possible flammables! Make certain that the tank is empty and not
in service. Observe appropriate safety precautions in flammable or hazardous liquid
storage areas. Do not enter or access a tank that has contained hydrocarbons, vapors or
toxic materials until a gas-free environment is certified. Carry breathing equipment when
entering or accessing a tank where oxygen may be depleted with carbon dioxide, nitrogen
or other gases.
27
16
25
15
44
17
2
47
1
33
3
26
8
38
14
10
57
36
41
4
12
31
37
28
18
62
23
56
48
45
55
35
33
29
24
13
11
5
7
9
34
39
6
42
22
19
31
21
40
43
53
54
50
51
49
52
for Cassette

Table of Contents