EasyManua.ls Logo

Vertiv Liebert EXM2 - Page 141

Vertiv Liebert EXM2
204 pages
Print Icon
To Next Page IconTo Next Page
To Next Page IconTo Next Page
To Previous Page IconTo Previous Page
To Previous Page IconTo Previous Page
Loading...
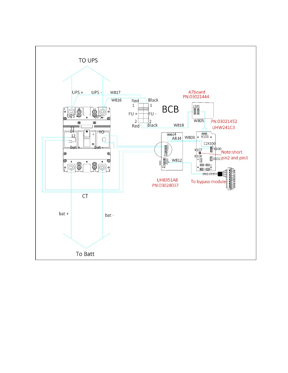
Figure 7.5 Connection d iagram of BC B box (40 0 A)
7 Battery
133
Vertiv™ Liebert® EXM2 UPS User Manual

Table of Contents

Related product manuals