EasyManua.ls Logo

Vertiv Liebert EXM2 - Remote EPO

Vertiv Liebert EXM2
204 pages
Print Icon
To Next Page IconTo Next Page
To Next Page IconTo Next Page
To Previous Page IconTo Previous Page
To Previous Page IconTo Previous Page
Loading...
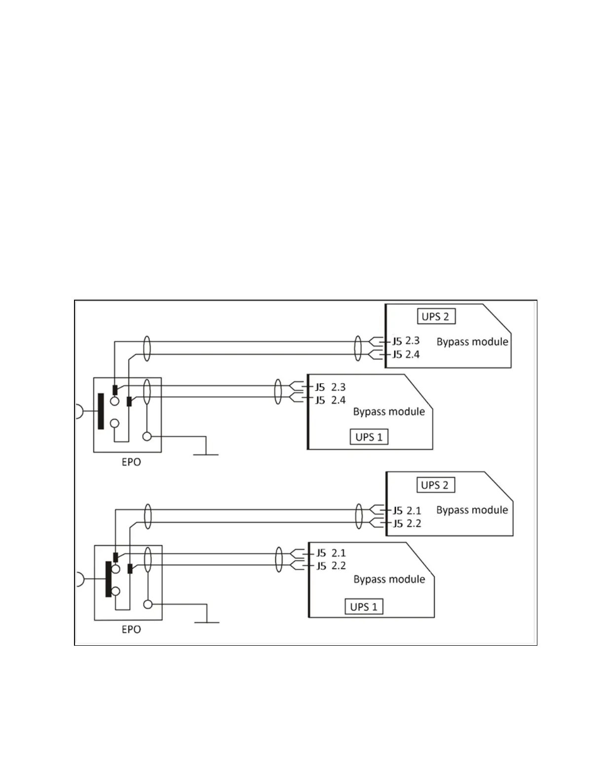
8.2.6 Remote EPO
In addition to the EPO switch provided on the operator control and display panel of each UPS module for controlling the EPO
of each module respectively, the parallel system also provides remote EPO function for controlling all UPS modules to shut
down simultaneously from a remote terminal, as shown in Figure 8.4 below.
N O T E: T he remote EPO sw itch m ust provide dry contact sig n al, which is no rm ally open o r norm ally
closed.
N O T E: T he open circu it voltage provided is 12Vdc, < 20 m A .
N O T E: T he external EPO device can be com p osed of another control system w hich can disconnect
UP S m ains supply or bypass input.
N O T E: P ins 1 and 2 of the norm ally closed EPO -J5 port on the bypass m odule have been linked in
factory.
Figure 8.4 EPO circuit diagram
N O T E: In Figure 8 .4 above, the upper o ne is Norm ally Open type, and the low er one is N orm ally
Closed type.
8 Parallel System and LBS System
143
Vertiv™ Liebert® EXM2 UPS User Manual

Table of Contents

Related product manuals