EasyManua.ls Logo

Vertiv Liebert EXM2 - Battery Ground Fault Detector (Optional)

Vertiv Liebert EXM2
204 pages
Print Icon
To Next Page IconTo Next Page
To Next Page IconTo Next Page
To Previous Page IconTo Previous Page
To Previous Page IconTo Previous Page
Loading...
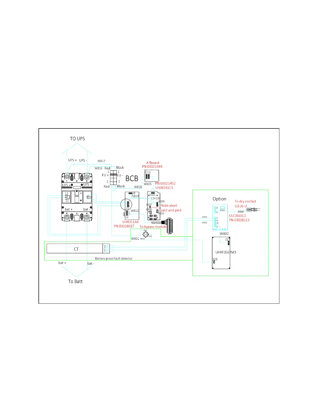
7.12 Battery Ground Fault Detector (Optional)
Vertiv provides an optional battery ground fault detector. It includes a current transducer and a PCB, which should be
installed in the BCB box. The installation position of the PCB is shown in . If the BCB box uses top cable entry, the current
transducer should be installed on the inside of the top plate of the BCB box, as shown in ; if the BCB box uses bottom cable
entry, the current transducer should be installed on the inside of the bottom plate of the BCB box. Connect the PCB as shown
in Figure 7.6 below
N O T E: If a battery ground fault d etector is installed, the positive and neg ative battery cables from
the battery into the BC B box m ust be routed through the hole of the m utual in d u ctor of the battery
ground fault detector, while other cables m ust bypass the mutual inductor for connectio n.
Figure 7.6 W iring of battery ground fault detector (4 00A )
7 Battery
134
Vertiv™ Liebert® EXM2 UPS User Manual

Table of Contents

Related product manuals