EasyManua.ls Logo

Visionix vx65 - Page 20

Visionix vx65
87 pages
Print Icon
To Next Page IconTo Next Page
To Next Page IconTo Next Page
To Previous Page IconTo Previous Page
To Previous Page IconTo Previous Page
Loading...
Equipment and Installation
VX65 User Guide
20 / 86
Adjusting the level
Before using the main body, it is necessary to make sure it is leveled (that is the bubble is
between two lines).
Adjust the level by operating the levelling knob.
Corneal aligning device
The forehead rest moves back and forth by turning the forehead rest knob.
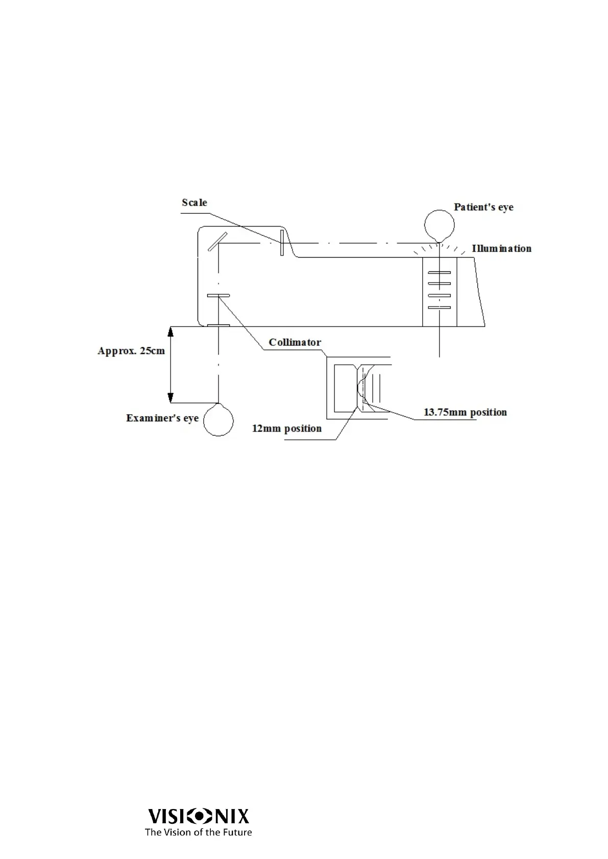
With the patient’s forehead set to the forehead rest, look through the cornea aligning
window from about 25cm apart.
Look at the patient’s eye so that long lines of collimator and scale are aligned, as shown in
the illustration above.
If the eye comes on the long line, the spherical power of eyeglass lens is measured at 12mm
from the cornea surface. Short lines are given at 2mm intervals from the long line.
The dotted line is 13.75mm from the cornea surface. For example, if the cornea surface is
4mm away (on the second short line from the long line), the spherical power of eyeglass lens
is measured at a position of 12+4=16mm. If the eyeglass wearing distance and the
measuring distance is different, correct it using the Forehead rest knob as shown in the
paragraph Patient’s side page 14.

Table of Contents

Related product manuals