EasyManua.ls Logo

Yamaha F100B - Page 106

Yamaha F100B
345 pages
Print Icon
To Next Page IconTo Next Page
To Next Page IconTo Next Page
To Previous Page IconTo Previous Page
To Previous Page IconTo Previous Page
Loading...
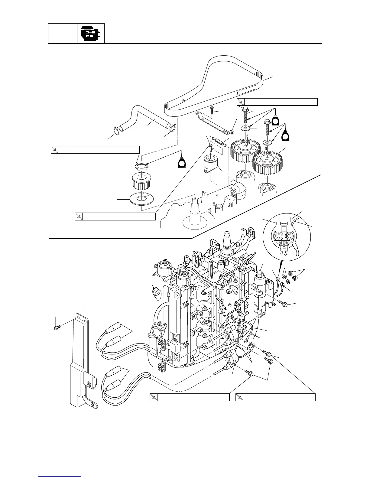
POWR
Power unit
5-13
60C5D11
S60C5140
67F-46241-00
19
18
29
28
31
26
27
22
15
20
16
30
23
21
24
25
17
T
R
.
.
265 N
·
m (26.5 kgf
·
m, 192 ft
·
lb)
E
E
E
T
R
.
.
39 N
·
m (3.9 kgf
·
m, 28 ft
·
Ib)
T
R
.
.
60 N
·
m (6.0 kgf
·
m, 43 ft
·
Ib)
8
11
12
12
7
6
1
4
(B)
R
4
5
3
10
9
2
9
13
14
3
(B/W)
T
R
.
.
8 N
·
m (0.8 kgf
·
m, 5.8 ft
·
Ib)
T
R
.
.
8 N
·
m (0.8 kgf
·
m, 5.8 ft
·
Ib)

Table of Contents

Other manuals for Yamaha F100B

Related product manuals