EasyManua.ls Logo

Yamaha MX360 - Fuel and Starting Controls

Yamaha MX360
178 pages
Print Icon
To Next Page IconTo Next Page
To Next Page IconTo Next Page
To Previous Page IconTo Previous Page
To Previous Page IconTo Previous Page
Loading...
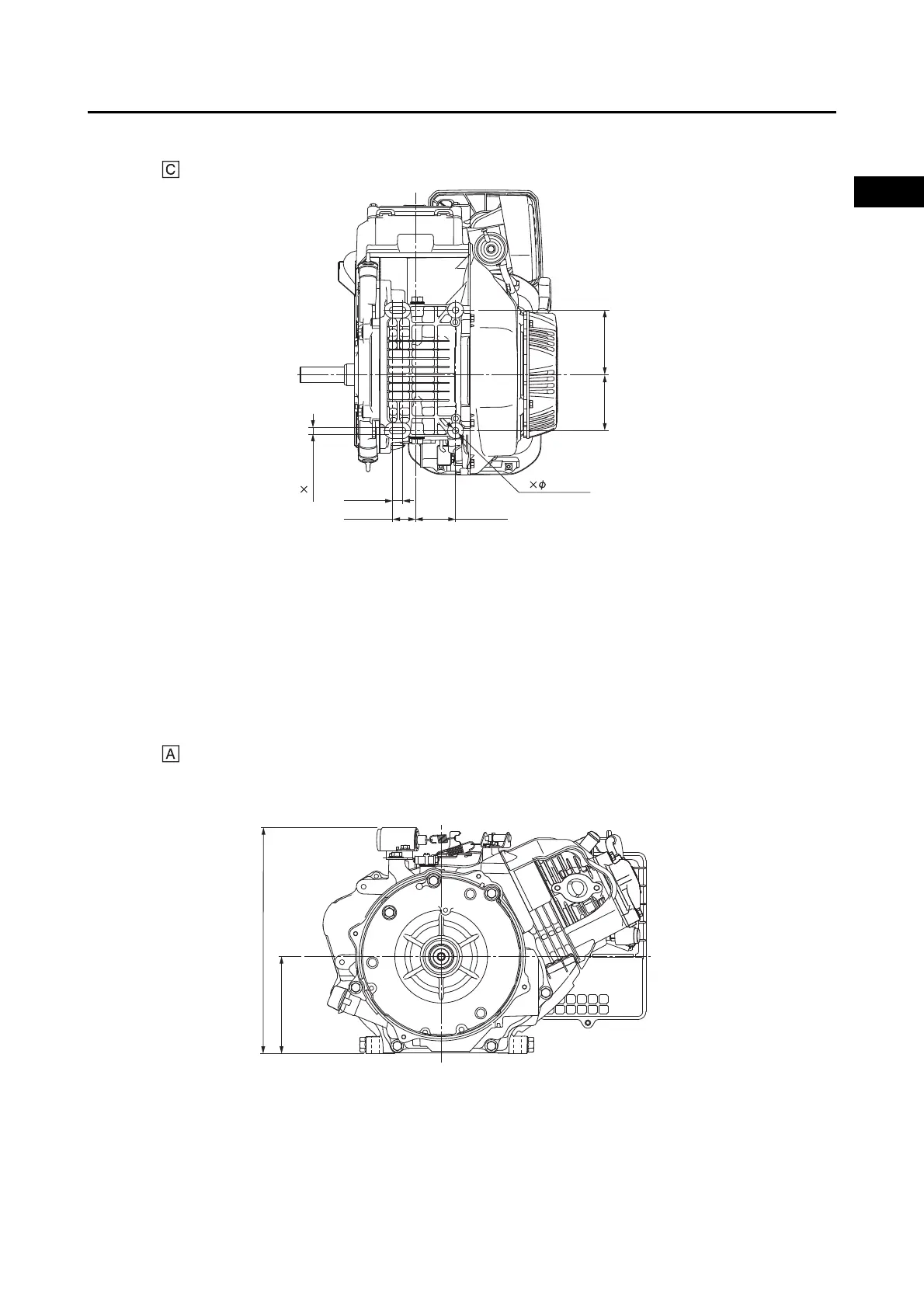
DIMENSIONS
1-7
1
2
3
4
5
6
7
8
9
10
GENERAL INFORMATION
A: 7HCC (MZ360LHIDE)
B: 7HCB, 7HSB (MX360KA6D0 except for KOR, MZ400KH2P6)
C: 7HC2, 7HC3, 7HCJ, 7HCB (MX360BA6A0, MX360C46A5, MX360AA6A0, MX360AA6A5,
MX360AA6A6, MX360KA6D0 for KOR)
LEFT SIDE
mm (in)
90.5 (3.56) 105 (4.13)
65 (2.56)37 (1.46)
16 (0.63)
2 11 (0.43)
2 11 (0.43)
310.7 (12.23)
133.5 (5.26)

Table of Contents

Other manuals for Yamaha MX360

Related product manuals