EasyManua.ls Logo

YASKAWA FS100 - 1.2 Power Flow

YASKAWA FS100
336 pages
Print Icon
To Next Page IconTo Next Page
To Next Page IconTo Next Page
To Previous Page IconTo Previous Page
To Previous Page IconTo Previous Page
Loading...
1 Equipment Configuration
FS100 1.2 Power Flow
1-2
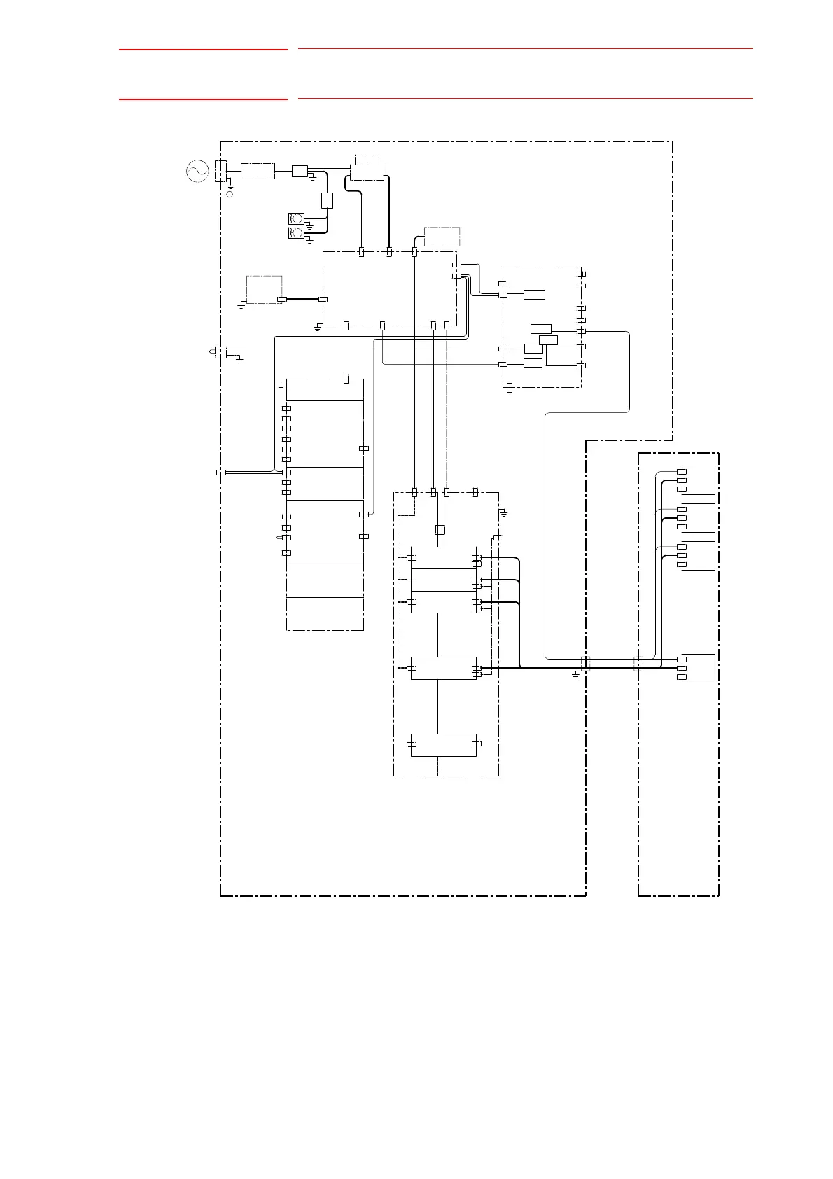
1.2 Power Flow

Table of Contents

Other manuals for YASKAWA FS100

Related product manuals