EasyManua.ls Logo

Abov MC96F6332D - 10-Bit PWM Mode (Force 6-ch)

Default Icon
327 pages
Print Icon
To Next Page IconTo Next Page
To Next Page IconTo Next Page
To Previous Page IconTo Previous Page
To Previous Page IconTo Previous Page
Loading...
MC96F6432
June 22, 2018 Ver. 2.9 159
P
r
e
s
c
a
l
e
r
fx
M
U
X
fx/2
fx/4
fx/16
fx/32
fx/64
fx/8
fx/1
Comparator
10-bit Counter
2Bit + T4CNT
10-bit A Data Register
T4ADRH/T4ADRL
Control
Up/Down
Comparator
T4PPRH/T4PPRL (10Bit)
Period Match
PWM
Output
Control
A-ch
PWM4AA
T4CN
4
T4CK[3:0]
fx/128
fx/256
fx/1024
fx/2048
fx/4096
fx/512
fx/8192
fx/16384
Timer 4 PWM Period Register
T4ST
PWM
Delay
Control
A-ch
PWM4AB
Comparator
10-bit B Data Register
T4BDRH/T4BDRL
PWM
Output
Control
B-ch
PWM4BA
PWM
Delay
Control
B-ch
PWM4BB
Comparator
10-bit C Data Register
T4CDRH/T4CDRL
PWM
Output
Control
C-ch
PWM4CA
PWM
Delay
Control
C-ch
PWM4CB
A Match
B Match
C Match
Interrupt
Generator
A Match
B Match
C Match
Bottom (Underflow)
To interrupt
block
FORCA
T4PCR2
0
ADDRESS:1004H (ESFR)
INITIAL VALUE : 0000_0000B
PAAOE PABOE PBAOE PBBOE PCAOE PCBOE
X X X X X X
HZCLR
T4PCR3
X
ADDRESS:1005H (ESFR)
INITIAL VALUE : 0000_0000B
POLBO POLAA POLAB POLBA POLBB POLCA POLCB
X X X
X
X X X
16BIT
T4CR
0
ADDRESS:1002H (ESFR)
INITIAL VALUE : 0000_0000B
T4MS T4CN T4ST T4CK3 T4CK2 T4CK1 T4CK0
X
X X X X X X
PWM4E
T4PCR1
1
ADDRESS:1003H (ESFR)
INITIAL VALUE : 0000_0000B
ESYNC BMOD PHLT UPDT UALL NOPS1 NOPS0
X X X
X
X X X
NOTE: Do not set to 1111b in the T4CK[3:0], when two 8-bit timer 3/4 modes.
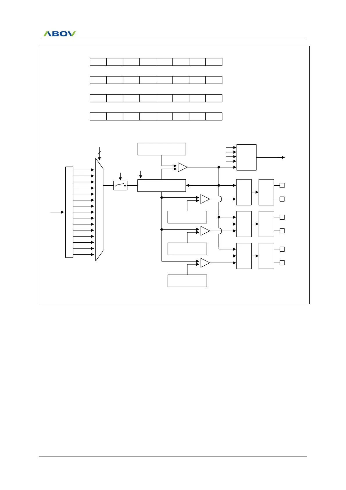
Figure 11.34 10-Bit PWM Mode (Force 6-ch)

Table of Contents

Related product manuals