EasyManua.ls Logo

Case 580SR+ - Page 872

Case 580SR+
1068 pages
Print Icon
To Next Page IconTo Next Page
To Next Page IconTo Next Page
To Previous Page IconTo Previous Page
To Previous Page IconTo Previous Page
Loading...
44 SECTION 55 - ELECTRICAL SYSTEM
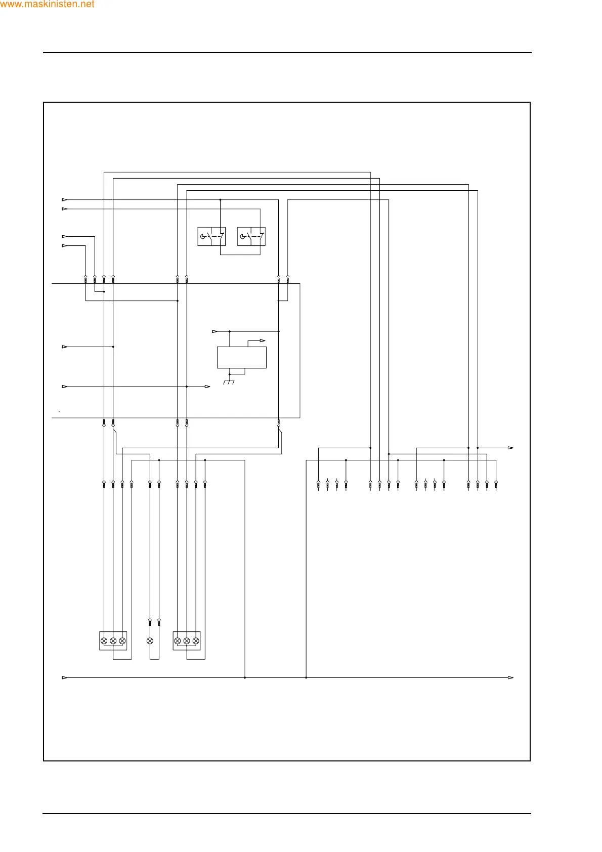
REAR LIGHT LINE DIAGRAM
F27492
B/R1
4.2
B/R1
K11
71
7.5
70
2.2
KC
G1
8.3
52
8.3
X8
1
X42
4213
X52
4231
31
4.5
31
6.1
G1
R-N1
X37
4321
G-N1
X48
4321
R1
R-N1
2.5
R-N1
XC5
17
XC1
7
11
4.2
XC5
8
L1
4.5
L1
XC5
7
XC4
17
A1
4.5
A1
XC4
19
XC5
9
10
4.2
XC5
6
G1
A1
XC3
20
XC3
12
R-N1
XC3
21
R-N1
G1
A1
7108
R-N1
G1
A1
G-N1
N1
X63
1
X63
2
N1
N1
G-N1
93
G-N1
XC3
13
R-N1
G-N1 G-N1
L1
462
R-N1
N1
L1
XC3
2
L1
5
H6
R
58
59c
31
S32
S33
H4
L
58
59c
31
H5
www.maskinisten.net
Copyright ©

Table of Contents

Related product manuals