EasyManua.ls Logo

Cincinnati 400FM - Capacities; Punching Capacity

Cincinnati 400FM
81 pages
Print Icon
To Next Page IconTo Next Page
To Next Page IconTo Next Page
To Previous Page IconTo Previous Page
To Previous Page IconTo Previous Page
Loading...
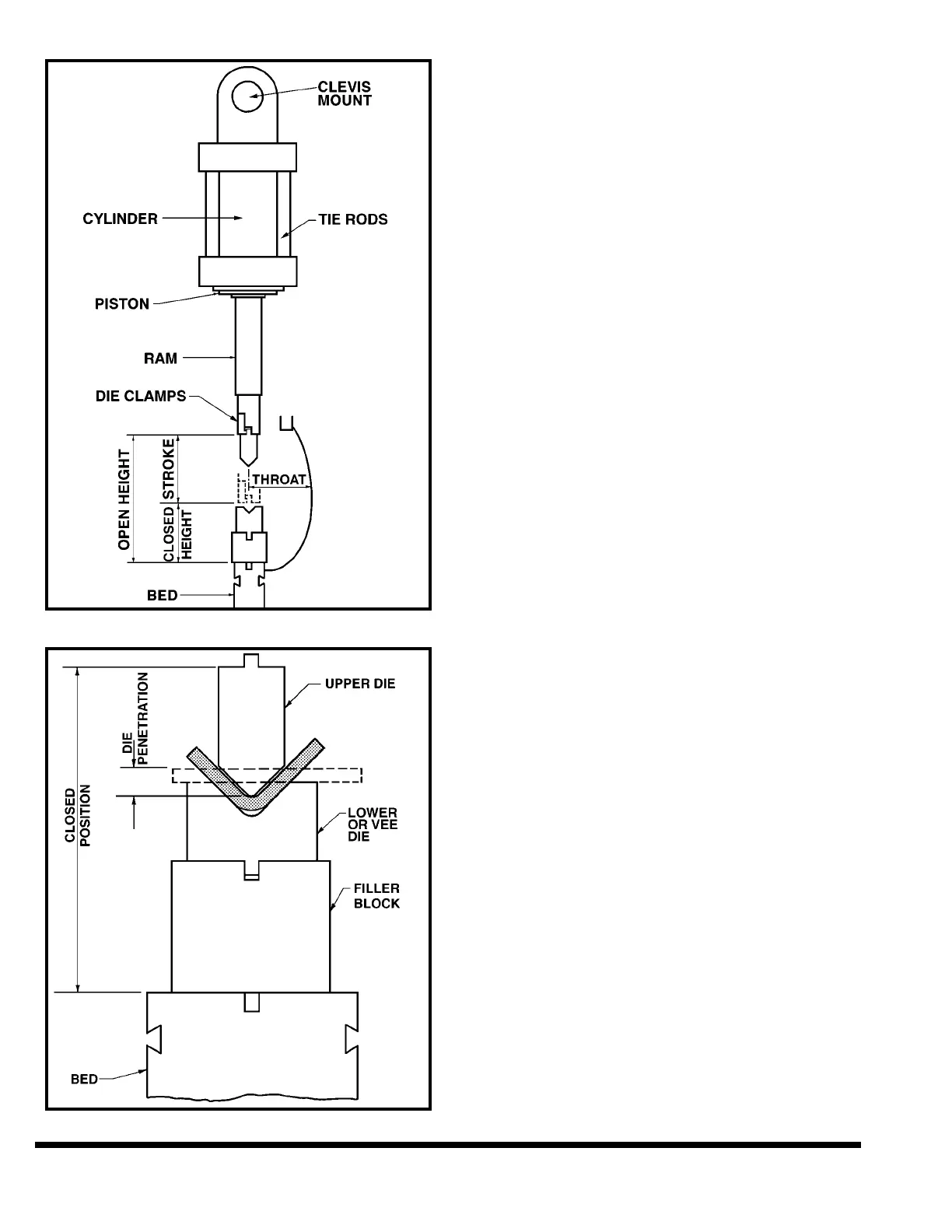
FIGURE 4-1 – Die Space
FIGURE 4-2 – Closed position
DIE PENETRATION: This is the distance the upper
die penetrates the lower die. For a 90° air bend
die the penetration is about 40% of the vee die
opening.
The combined height of the dies and filler block
when in the closed position must be more than
the closed height but less than the open height
dimensions. The difference between this com-
bined height and the open height is the maxi-
mum amount of stroke which can be used for a
particular set up.
FILLER BLOCKS: Various types of filler blocks are
available to hold the lower die. They provide a
means of adjusting and clamping the lower die in
position. Filler blocks are optional and should be
selected to suit the machine tooling and type of
bending.
MICROCROWNING: A crown is machined into the
bed of each CINCINNATI Press Brake. It is
designed so the bed and ram will be parallel at
two-thirds of machine capacity with a load uni-
formly distributed over the nominal length of the
machine. This feature improves bend accuracy
under normal forming loads and minimizes shim-
ming of the dies. Machines furnished with the
optional AUTO CROWN system do not have
microcrowned beds or rams.
CAPACITIES
PUNCHING CAPACITY
CINCINNATI Hydraulic Press Brakes are rated to
perform punching loads up to 66% of the maximum
machine capacity at the center of the machine when
punching mild steel using self-contained units on an
occasional basis. When punching is to be performed
on a continuous production basis, with dedicated
die sets or high tensile - 70,000 PSI (482636 kPa) -
material is to be processed, the punching capacity is
reduced to 50% of the maximum machine capacity,
Figure 4-3. Additional punching capacity can be
obtained by stepping the punches (Figure 4-4) on
multiple levels. For special punching applications
where die sets or special machine features (for exam-
ple, wide bed, deep throat, etc.) are required, consult
CINCINNATI INCORPORATED.
When punching, the POSITION mode of operation
must be used with sufficient tonnage entered to
allow punch through.
4-4

Table of Contents

Related product manuals