EasyManua.ls Logo

DDK HFC3000II - Input and Output Circuit Specifications and Recommended Connection Circuit

DDK HFC3000II
216 pages
Print Icon
To Next Page IconTo Next Page
To Next Page IconTo Next Page
To Previous Page IconTo Previous Page
To Previous Page IconTo Previous Page
Loading...
Chapter 4 Installation
PAGE 4-11
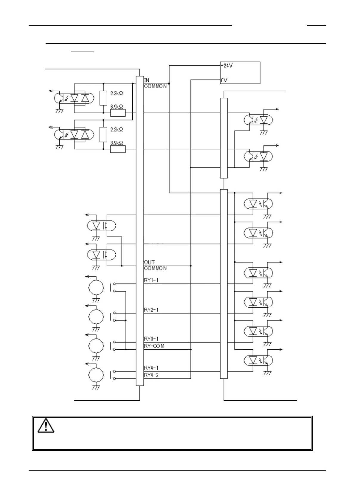
4-5-3. Input and Output Circuit Specifications and Recommended Connection
Circuit
*The above diagram shows an NPN type connection example.
The I/O hardware accommodates both positive and negative polarities and both
NPN (sink - common) type and PNP (source + common) type connection may
be used.
Unit I/O circuit
Input circuit
Output circuit
PLC output circuit
DC power
source
PLC input circuit
Input signal
Input signal
Caution
Output signal
Output signal
S0140185-H

Table of Contents