EasyManua.ls Logo

Epson G20 Series - 3.2 Base Table

Epson G20 Series
252 pages
Print Icon
To Next Page IconTo Next Page
To Next Page IconTo Next Page
To Previous Page IconTo Previous Page
To Previous Page IconTo Previous Page
Loading...
Setup & Operation 2. Specifications
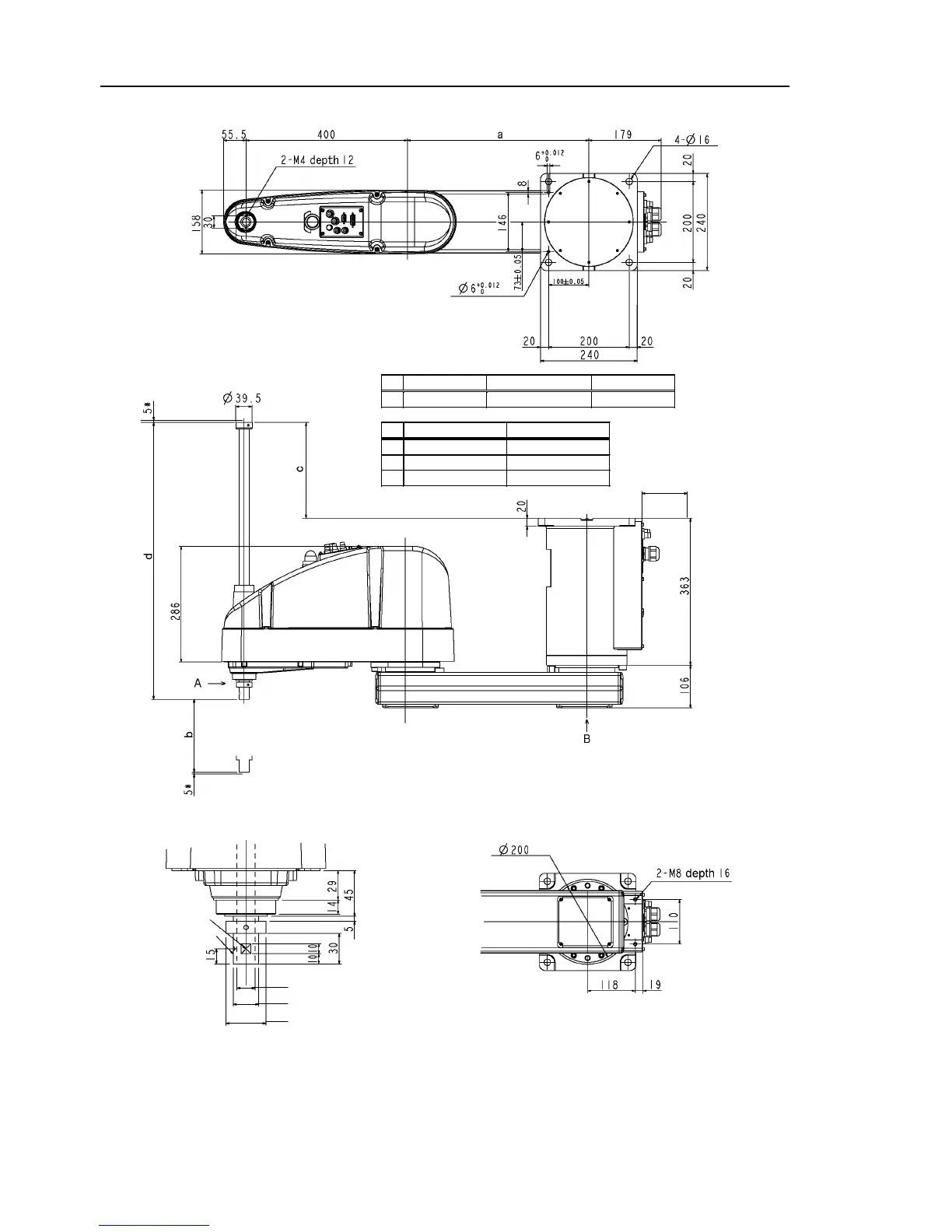
32 G10 / G20 Rev.20
Conical hole ø4,90°
1 mm flat cut
Max.ø18 through hole
ø25 h7 shaft diameter
90 or more
Space for cables
(*) indicates the stroke margin by mechanical stop.
Detail of “A”
(Calibration point position of Joints #3 and #4)
ø39.5 mechanical stop diameter
Detail of “B”
(Tolerance
applies to
the pin hole)
G10-65*SR
G10/G20-85*SR
G20-A0*SR
a
250
450
600
G10/G20-**1SR
G10/G20-**4SR
b
180
420
c
27.5
212.5
d
420
660

Table of Contents

Related product manuals