EasyManua.ls Logo

Erbe VIO 200 D - Block Diagrams (VIO 300 D & 200 D)

Erbe VIO 200 D
144 pages
Print Icon
To Next Page IconTo Next Page
To Next Page IconTo Next Page
To Previous Page IconTo Previous Page
To Previous Page IconTo Previous Page
Loading...
5 • Circuit Descriptions
22 / 144
Art.-Nr.: 80116-271
04.06
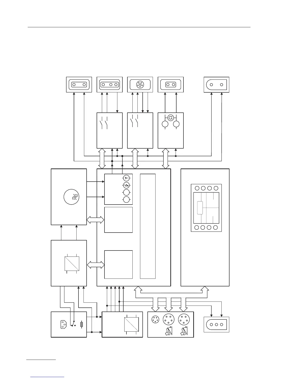
Block diagram VIO 300 D
Fig. 5-1
SCI
SCI
SPI
115 V
230 V
AC
DC
AC
DC
ECB
1
2
AE NE
AE
NE
AE
NE
AE
NE
A
A
IK
LN
CUT COAG
NE1
NE2
ECB
E
RBE Co
m
munication Bus
Power Supply HF generator
CPU + Sensors
Line Input
I.v. supply
Power Supply
Control
Generator
Control
CPLD
Sensors
Controller Unit
IIF
NESSY2
User Interface
AE
NE
Display
Keyboard
Power PC
Operating
Voltages
AK
AE
NE
AK
Instrument
Interface
V
A
IIF
Instrument
Interface
G
0...450V
0...3,5A
230V 50Hz
115V 60Hz
BIPOLAR
MONOPOLAR/
MF/
NEUTRAL
Connector
to APC2
AK: Aktivierungserkennung
activation recognition
IK: Instrumentenerkennung
instrument recognition
+5V
+15V
+24V
0V
-15V
Connector
to APC2
BIPOLAR
MONOPOLAR

Table of Contents

Other manuals for Erbe VIO 200 D

Related product manuals