EasyManua.ls Logo

Farr KT5500 - 15 Series Standard Motor Envelope

Farr KT5500
165 pages
Print Icon
To Next Page IconTo Next Page
To Next Page IconTo Next Page
To Previous Page IconTo Previous Page
To Previous Page IconTo Previous Page
Loading...
KT5500 5-
1
/
2
” Tong & CLInCHER® BaCKup
SECTIon ConTEnTS
7.4
TECHnICaL ManuaL
HyDRauLIC MoToR InfoRMaTIon
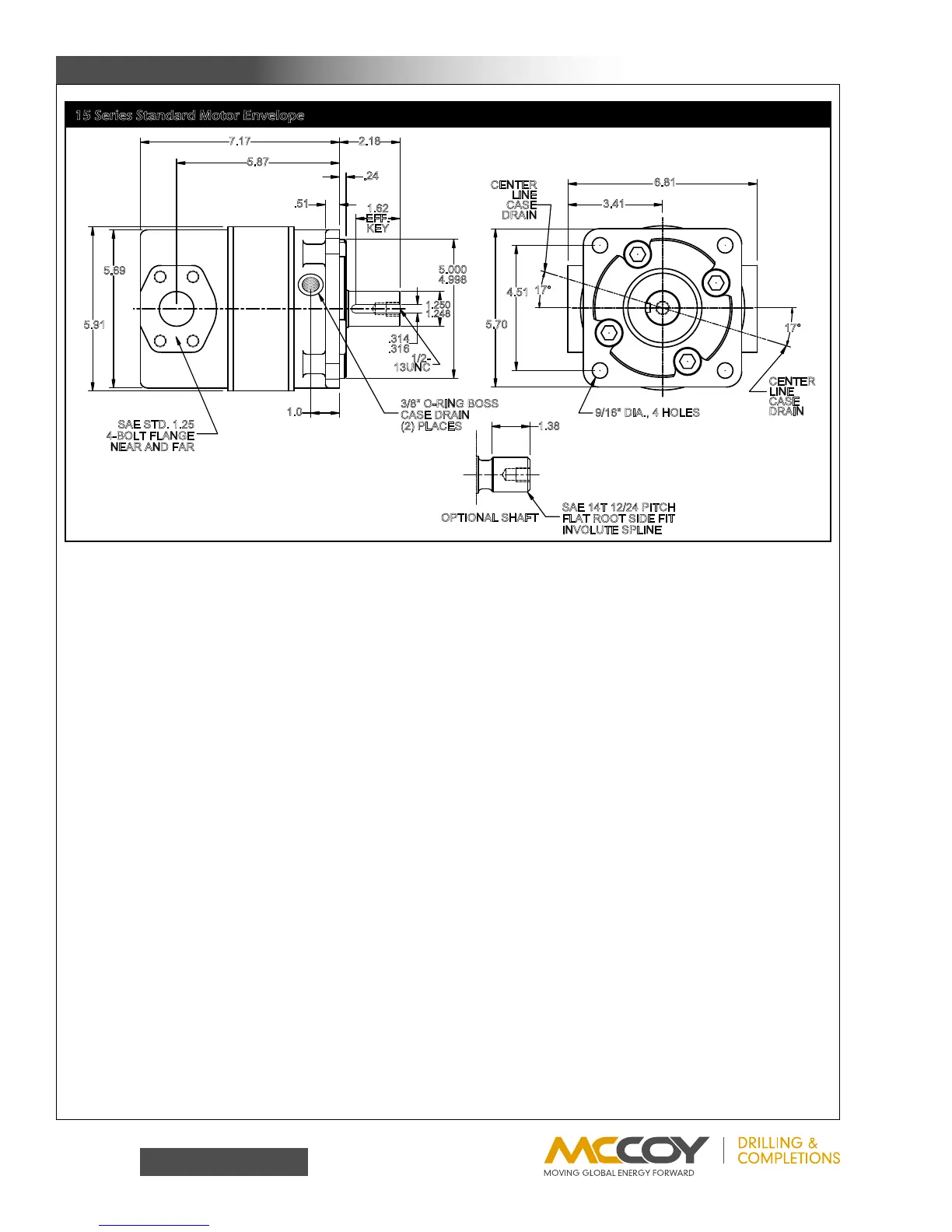
1.38
SAE 14T 12/24 PITCH
FLAT ROOT SIDE FIT
INVOLUTE SPLINE
OPTIONAL SHAFT
6.81
3.41
4.51
5.70
9/16" DIA., 4 HOLES
17°
17°
CENTER
LINE
CASE
DRAIN
CENTER
LINE
CASE
DRAIN
5.91
5.69
7.17 2.18
5.87
.24
.51
1.62
EFF.
KEY
1.0
5.000
4.998
1.250
1.248
.314
.316
1/2-
13UNC
3/8" O-RING BOSS
CASE DRAIN
(2) PLACES
SAE STD. 1.25
4-BOLT FLANGE
NEAR AND FAR
15 Series Standard Motor Envelope
A
B
6.82
3.41
4.50
SQR.
5.70
17°
CENTER
LINE
CASE
DRAIN
17°
CENTER LINE
CASE DRAIN
PORT
"B"
PORT
"A"
5.91
9.0 2.18
5.80
.24
.50
1.62
EFF.
KEY
1.0
5.000
4.998
1.250
1.248
.313
.315
7.80
PORT 'A'
5.40
1.3
OPTIONAL SHAFT
1.8 2.2
REAR VIEW
SAE 14T 12/24
PITCH
FLAT ROOT SIDE FIT
INVOLUTE SPLINE
ALTERNATE
PORT "A"
1-1/4 O-RING
BOSS
ALTERNATE
PORT "B"
1-1/4 O-RING
BOSS
1/2-13UNC
x 1/2 DP.
3/8" O-RING
BOSS
CASE DRAIN
(2) PLACES
SAE STD. 1.25
4-BOLT FLANGE
NEAR AND FAR
SAE 1/4 O-RING
BOSS
1/4 O-RING
BOSS
9/16" DIA., 4 HOLES
15 Series Two Speed Envelope

Table of Contents

Related product manuals