EasyManua.ls Logo

FujiFilm X-Pro2 - Playback

FujiFilm X-Pro2
176 pages
Print Icon
To Next Page IconTo Next Page
To Next Page IconTo Next Page
To Previous Page IconTo Previous Page
To Previous Page IconTo Previous Page
Loading...
12
Parts of the Camera
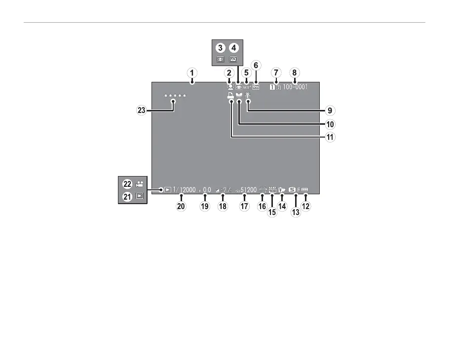
Playback
12/31/2050 10:00 AM
A
Date and time ............................................. 26, 27
B
Face detection indicator ....................................92
C
Red-eye removal indicator ..............................104
D
Advanced  lter .................................................55
E
Location data ..................................................117
F
Protected image .............................................103
G
Card slot .................................................... 39, 102
H
Frame number ................................................ 115
I
Gift image .........................................................39
J
Photobook assist indicator ................................85
K
DPOF print indicator .......................................126
L
Battery level .....................................................25
M
Image size/quality ............................................88
N
Film simulation .................................................60
O
Dynamic range .................................................89
P
White balance ...................................................61
Q
Sensitivity .........................................................58
R
Exposure compensation ....................................57
S
Aperture ............................................... 35, 37, 38
T
Shutter speed ....................................... 35, 36, 38
U
Playback mode indicator...................................39
V
Movie icon ........................................................46
W
Rating ...............................................................39

Table of Contents

Other manuals for FujiFilm X-Pro2

Related product manuals