EasyManua.ls Logo

gefran SIEIDrive ADL300 - Functions

gefran SIEIDrive ADL300
152 pages
Print Icon
To Next Page IconTo Next Page
To Next Page IconTo Next Page
To Previous Page IconTo Previous Page
To Previous Page IconTo Previous Page
Loading...
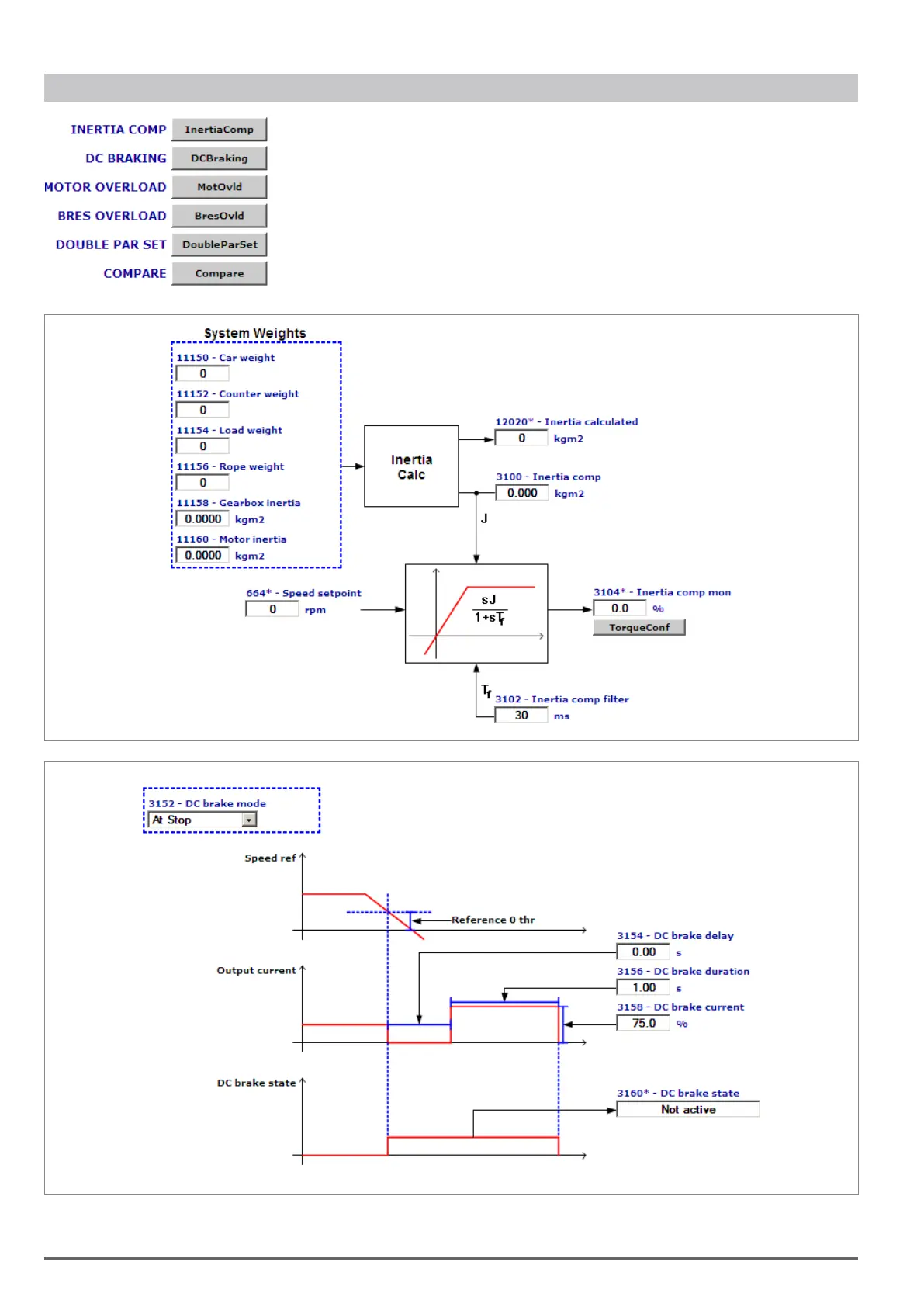
130 ADL300 • Block Diagrams
Functions

Table of Contents

Other manuals for gefran SIEIDrive ADL300

Related product manuals