EasyManua.ls Logo

Gesipa 8000 - Pneumatic Circuit Diagram

Gesipa 8000
169 pages
Print Icon
To Next Page IconTo Next Page
To Next Page IconTo Next Page
To Previous Page IconTo Previous Page
To Previous Page IconTo Previous Page
Loading...
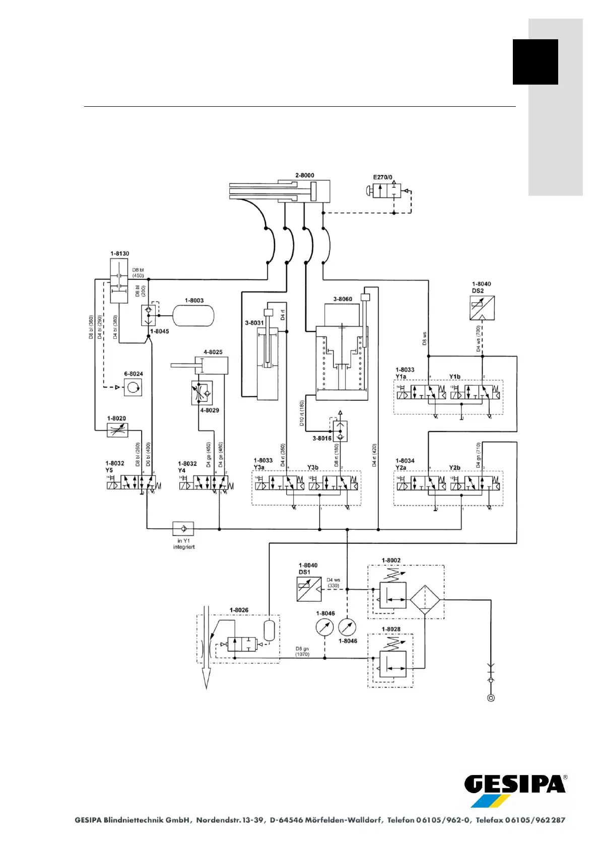
26 Pneumatic Circuit Diagram
Pneumatic Circuit Diagram
26
- 101 -

Table of Contents

Related product manuals