EasyManua.ls Logo

Gesipa 8000 - Page 108

Gesipa 8000
169 pages
Print Icon
To Next Page IconTo Next Page
To Next Page IconTo Next Page
To Previous Page IconTo Previous Page
To Previous Page IconTo Previous Page
Loading...
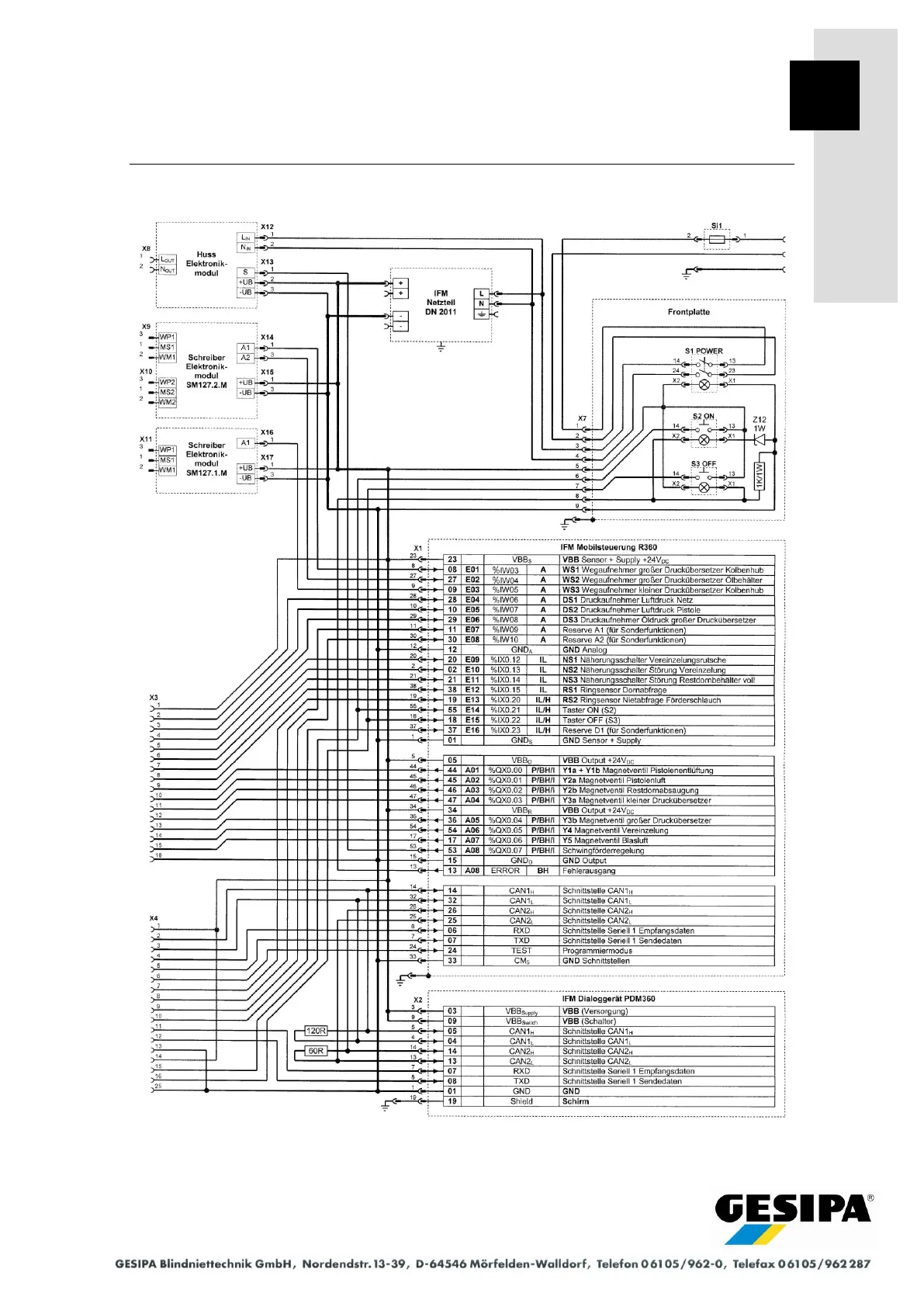
27 Electrical Circuit Diagram
Electrical Circuit Diagram
27
- 103 -

Table of Contents

Related product manuals