EasyManua.ls Logo

HP rp7420 - PCI-X Board to Cell Board Block Diagram; PCI-X Slot Types

HP rp7420
127 pages
Print Icon
To Next Page IconTo Next Page
To Next Page IconTo Next Page
To Previous Page IconTo Previous Page
To Previous Page IconTo Previous Page
Loading...
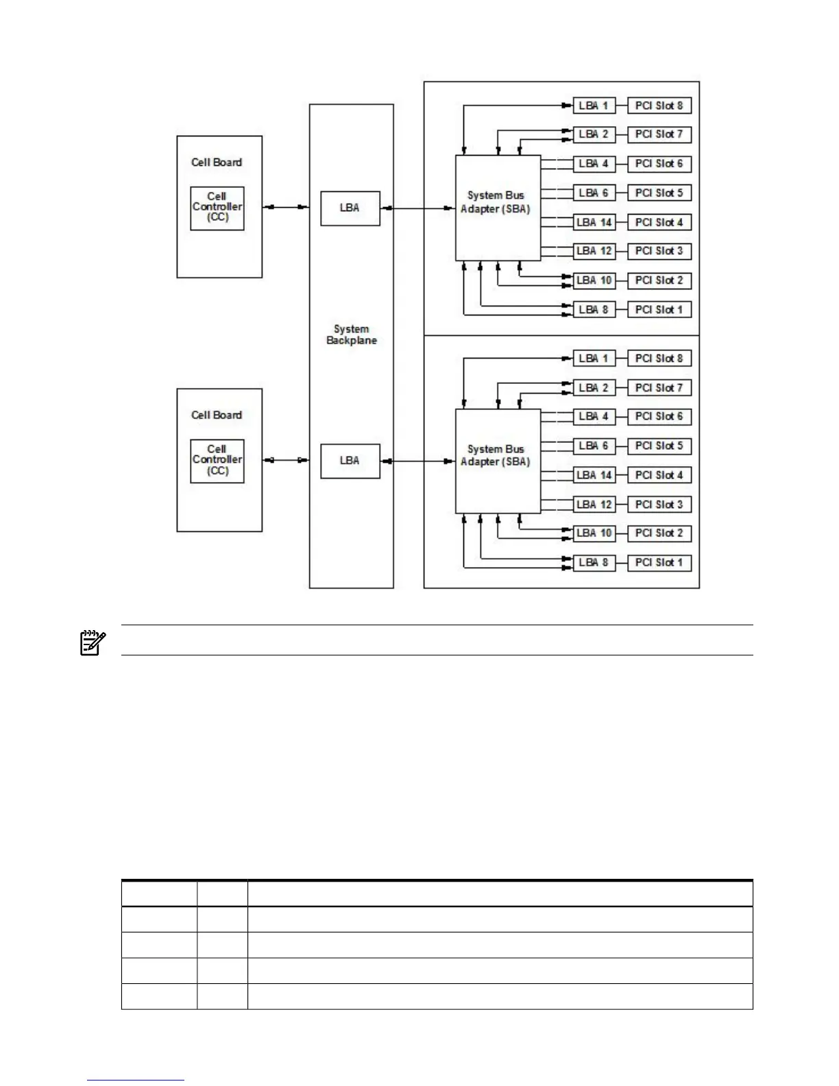
Figure 1-4 PCI-X Board to Cell Board Block Diagram
NOTE: PCI-X slots 1 through 7 are dual rope slots, while slot 8 is a single rope slot.
The PCI-X backplane is the primary I/O interface for HP 9000 rp7420 servers. It provides sixteen
64-bit, hot-plug PCI/PCI-X slots. Fourteen of the slots have dual ropes connected to the LBA
chips. The remaining two slots have a single rope connected to each LBA chip. Each of the sixteen
slots are capable of 66 MHz/33 MHz PCI or 133 MHz/66 MHz PCI-X. All sixteen PCI slots are
keyed for 3.3-volt connectors (accepting both Universal and 3.3-V cards). The PCI-X backplane
does not provide any 5-volt slots for the I/O cards. For more details, see Table 1-1.
The PCI-X backplane is physically one board but behaves like two independent partitions. SBA
0 and its associated LBAs and eight PCI-X slots form one I/0 partition. SBA 1 and its associated
LBAs and eight PCI-X slots form the other I/0 partition. One I/O partition can be powered down
separate from the other I/O partition.
Table 1-1 PCI-X Slot Types
Device
1
SlotI/O Partition
PCI (33 or 66 MHz) / PCI-X (66 or 133 MHz) 64-bit, 3.3V connector, hot plug slot80
PCI (33 or 66 MHz) / PCI-X (66 or 133 MHz) 64-bit, 3.3V connector, hot plug slot70
PCI (33 or 66 MHz) / PCI-X (66 or 133 MHz) 64-bit, 3.3V connector, hot plug slot60
PCI (33 or 66 MHz) / PCI-X (66 or 133 MHz) 64-bit, 3.3V connector, hot plug slot50
20 Overview

Table of Contents

Other manuals for HP rp7420

Related product manuals