EasyManua.ls Logo

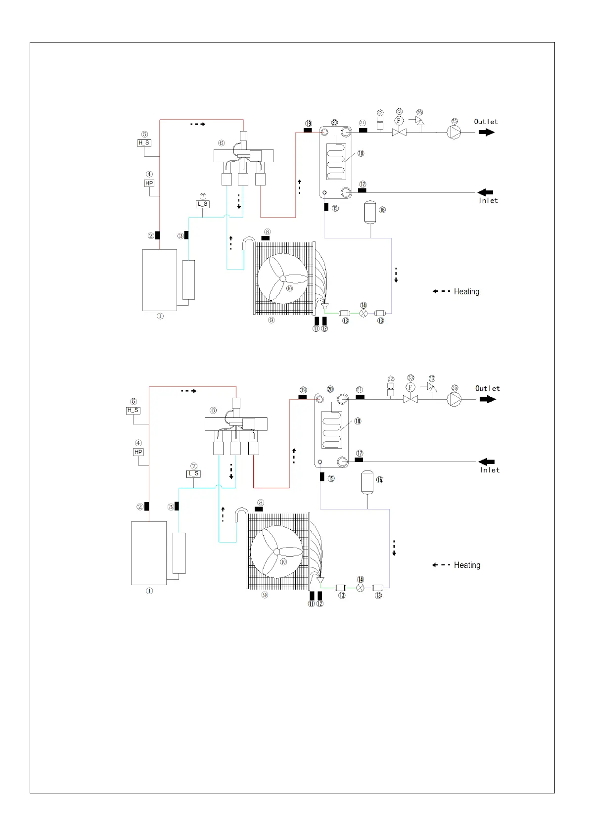
IDEAL HP290 - Figure 68. Refrigerant Circuit Diagram

IDEAL HP290
160 pages
Print Icon
To Next Page IconTo Next Page
To Next Page IconTo Next Page
To Previous Page IconTo Previous Page
To Previous Page IconTo Previous Page
Loading...
Appendix
129
Installation and Maintenance
Figure 68. Refrigerant Circuit Diagram
4.5 kw - 6 kw
8 kw - 14 kw
1. Compressor
2. Temperature sensor (Compressor discharge)
3. Temperature sensor (Compressor suction)
4. High pressure switch
5. High pressure sensor
6. 4-way valve
7. Low pressure sensor
8. Temperature sensor (Outdoor air)
9. Finned tube Heat exchanger
10. Fan
11. Temperature sensor (Heat exchanger)
12. Temperature sensor (Heat exchanger outlet refrigerant)
13. Filter
14. Electronic expansion valve (EEV)
15. Temperature sensor (Plate heat exchanger refrigerant inlet)
16. Liquid receiver
17. Temperature sensor (Inlet water)
18. Heating tape of Plate heat exchanger
19. Temperature sensor (Plate heat exchanger refrigerant outlet)
20. Plate heat exchanger
21. Temperature sensor (Outlet water)
22. Automatic air vent
23. 
24. Item removed
25. Water pump
26. Pressure relief valve
1.2.4 Refrigerant Circuit

Table of Contents

Related product manuals