EasyManua.ls Logo

Intel 815 - Figure 49. Schematic of RAMDAC Video Interface

Intel 815
213 pages
Print Icon
To Next Page IconTo Next Page
To Next Page IconTo Next Page
To Previous Page IconTo Previous Page
To Previous Page IconTo Previous Page
Loading...
Integrated Graphics Display Output
R
102 Intel
®
815 Chipset Platform Design Guide
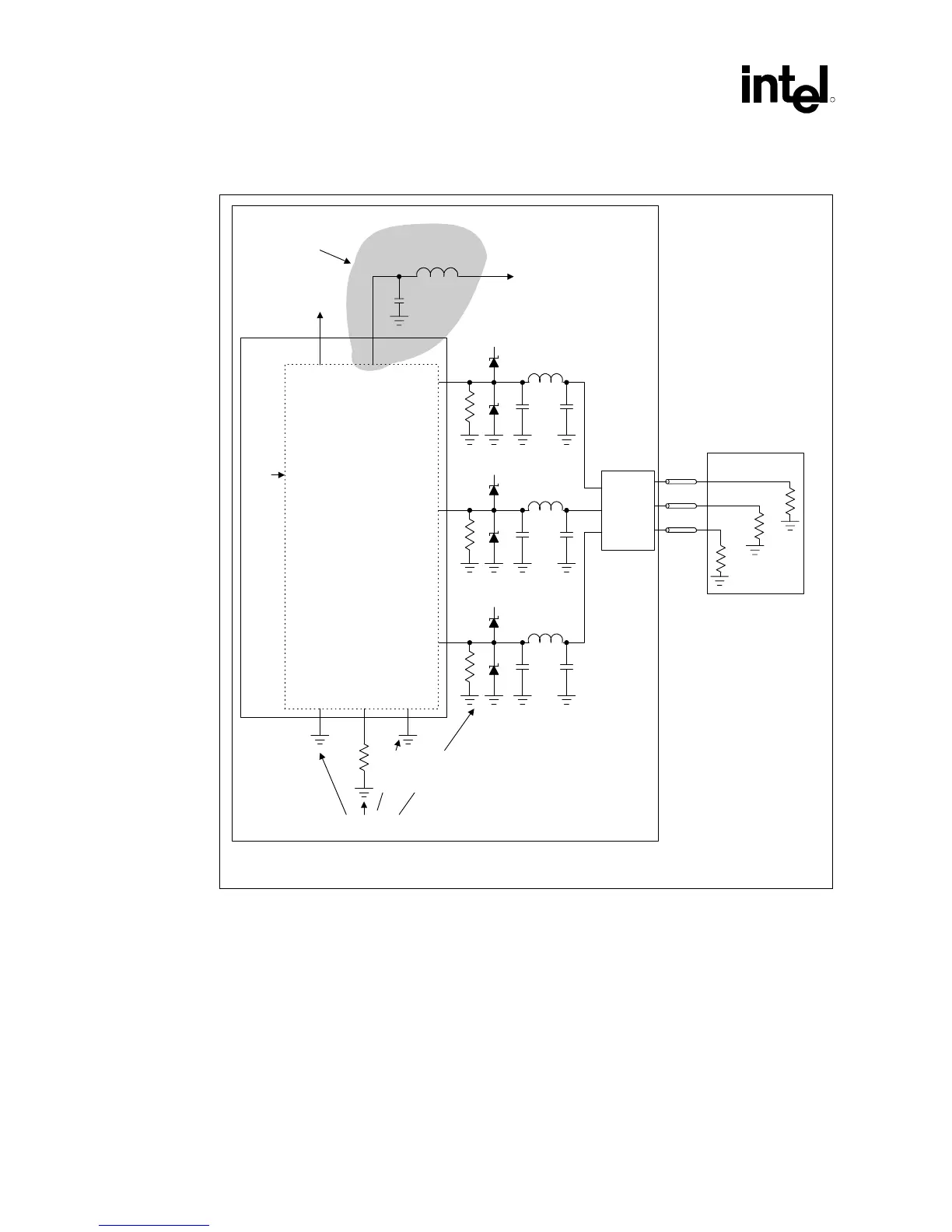
Figure 49. Schematic of RAMDAC Video Interface
RAMDAC
VCCDACA1/
VCCDACA2
VCCDA
Red
Graphics
Chip
Pixel
clock
(from
DPLL)
Cf
Lf
LC
Filter
1.8 V board
power plane
Display PLL power
connects to this
segmented power
plane
1.8 V board
power plane
1.8 V board
power plane
Rt
D2
D1
C1
C2
FB
Pi filter
1.8 V board
power plane
Rt
D2
D1
C1
C2
FB
Pi filter
1.8 V board
power plane
Rt
D2
D1
C1
C2
FB
Pi filter
Green
Blue
VSSDACA
Analog
power plane
1.8 V
IREFIWASTE
Ground plane
Rset 1% reference
current resistor
(metal film)
Video
connector
Graphics
Board
Red
Green
Blue
Coax Cable
Zo = 75
75
75
75
Display
Termination resistor, R 75
1%
(metal film)
Diodes D1, D2: Schottky diodes
LC filter capacitors, C1, C2: 3.3 pF
Ferrite bead, FB: 7
@ 100 MHz
(Recommended part: Murata
BLM11B750S)
display_RAMDAC_video_IF
NOTE: Diodes D
1
, D
2
are clamping diodes with low leakage and low capacitive loading. An example is:
California Micro Devices PAC DN006 (6 channel ESD protection array).
In addition to the termination resistance and LC pi-filter, there are protection diodes connected to
the RAMDAC outputs to help prevent latch-up. The protection diodes must be connected to the
same power supply rails as the RAMDAC. An LC filter is recommended to connect the segmented
analog 1.85V power plane of the RAMDAC to the 1.85V board power plane. The LC filter should
be designed for a cut-off frequency of 100 kHz.

Table of Contents

Related product manuals