EasyManua.ls Logo

Intel 815 - Page 207

Intel 815
213 pages
Print Icon
To Next Page IconTo Next Page
To Next Page IconTo Next Page
To Previous Page IconTo Previous Page
To Previous Page IconTo Previous Page
Loading...
5
5
4
4
3
3
2
2
1
1
D D
C C
B B
A A
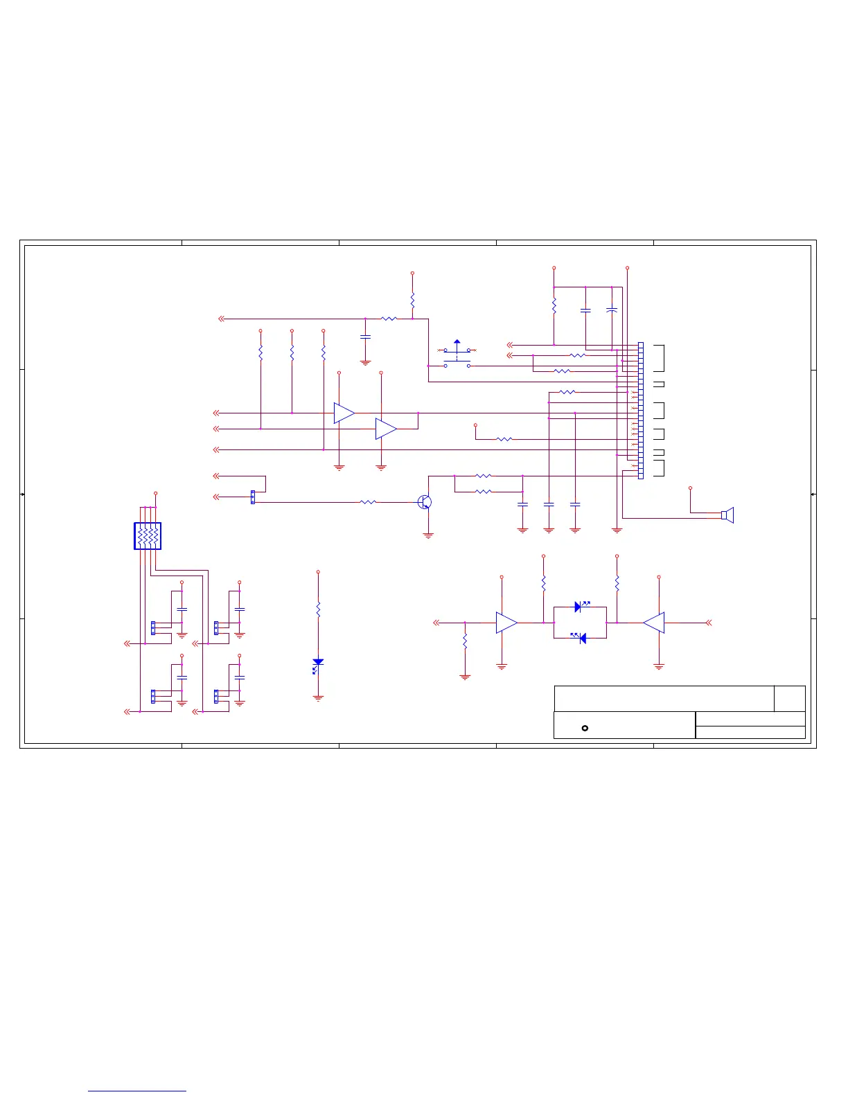
INFRARED
POWER SW.
H.D. LED
POWER LED
KEY LOCK
SPEAKER
FAN HEADERS
On-Board LED indicates th Standby
Well is on to prevent Hot-Swapping
Memory
NO STUFF.
FOR TEST
ONLY
NO STUFF.
FOR TEST
ONLY
System
SPEAKER CIRCUIT
INTEL(R) 82815 CHIPSET CUSTOMER REFERENCE BOARD
SYSTEM, PART 1
40
1.0
3-26-01
34
Platform Apps Engineering
1900 Prairie City Road
Folsom, CA 95630
REV.
R
Last Revision Date:
Sheet:
of
Title:
int
e
l
V3SBLED
GP26LEDGP23LED
SPKR_NEG
PWRLED
R_IRTX
PBTN_IN
FP_PD
R_SPKRINSPKR_IN
SPKR_Q1GSPKR
IDE_ACTIVE
TACH115
PWM115
TACH215
PWM215
GPIO23_FPLED13
ICH_SPKR13
AC97SPKR26,27
KEYLOCK#15
IDEACTS#18
IDEACTP#18
PWRBTN#13
IRRX15
IRTX15
GPIO26_FPLED 13
VCC3SBY
VCC3SBY VCC3SBY
VCC3SBY
VCC5
VCC5
VCC3_3VCC3_3
VCC5
VCC3SBY
VCC3_3VCC5VCC5
VCC3SBY
VCC12VCC12
VCC12VCC12
VCC3_3
VCC3_3
CR7
LED
SP1
SPEAKER
J28
1
2
3
Q17
2N3904
CRb4
LED
CRa4
LED
JP28
1
2
3
J26
1
2
3
J4
1
2
3
J27
1
2
3
R96
330
12
R90
4.7K
12
R275
330
12
RP62
4.7K
1
2
3
4 5
6
7
8
R283
10K
12
R99
10K
12
R124
10K
12
R97
330
12
R270
4.7K
1 2
R269
82
1 2
R272
100K
12
R280
1M
12
R290
68
1 2
R289
68
1 2
R291
2.2K
1 2
R279
0K
1 2
C426
0.1UF
12
C396
1.0UF
12
R281
470
1 2
R282
220
1 2
C394
0.1UF
12
C264
0.1UF
12
C247
470PF
12
C400
470PF
12
+
C399
10UF 16V
12
C391
0.1UF
12
C393
0.1UF
12
C392
0.1UF
12
U8B
SN74LVC07A
4
147
3
U11A
SN74LVC07A
2
147
1
J18
FNT_PNL_CONN
1
2
3
4
5
6
7
8
9
10
11
12
13
14
15
16
17
18
19
20
21
22
23
24
25
26
SW2
PBSWITCH
U11B
SN74LVC07A
4
147
3
U8C
SN74LVC07A
6
147
5

Table of Contents

Related product manuals